Rotary Mower Gearboxes - Replacement of Comer Code LF-205J
A rotary mower gearbox is a device that transfers power from the engine to the blades of a rotary mower. It does this by using a series of gears to reduce the speed of the engine and increase the torque. This allows the blades to cut through thick grass and weeds with ease.Rotary mower gearboxes are typically made of metal and are housed in a sturdy case. They have a number of different components, including the input shaft, output shaft, gears, bearings, and seals. The input shaft is connected to the engine, and the output shaft is connected to the blades. The gears inside the gearbox reduce the speed of the engine and increase the torque. The bearings support the shafts and gears, and the seals keep lubricant inside the gearbox and contaminants out.Rotary mower gearboxes are an important part of the rotary mower system. They provide the power and torque that are necessary to cut through thick grass and weeds. Without a rotary mower gearbox, the blades would not be able to rotate at the necessary speed to do their job. Rotary mower gearboxes are typically maintenance-free. However, it is important to keep them clean and free of debris. If the gearbox becomes dirty, it can overheat and fail. It is also important to change the lubricant in the gearbox according to the manufacturer's instructions.If you are experiencing problems with your rotary mower gearbox, it is important to have it serviced by a qualified technician. Do not attempt to repair the gearbox yourself, as this could void the warranty and could result in serious injury.

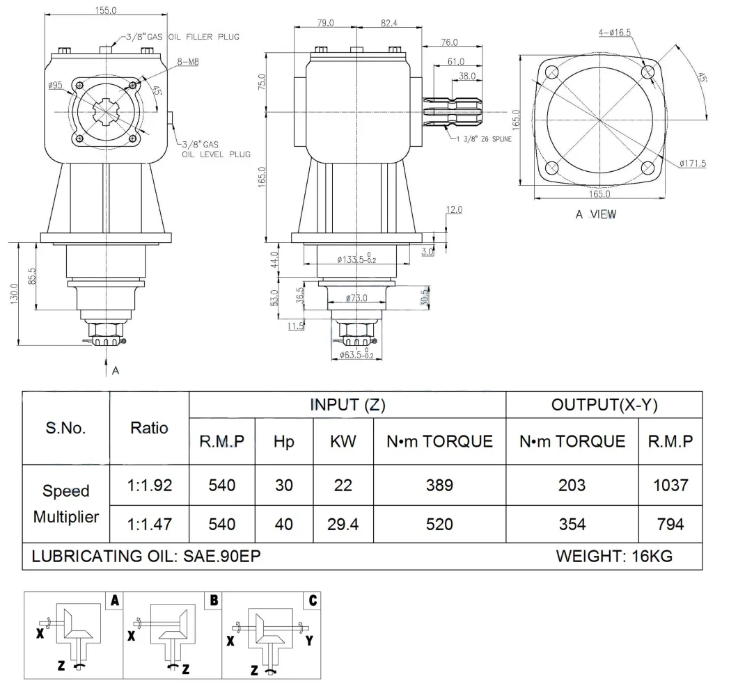
| Description | Rotary Mower Gearbox Replacement of Comer Gearbox LF-205J (speed increasing) |
|---|---|
| Application | Mowers |
| Consists of |
|
| Technical information |
|
| Max. input power | 22 kW |
| Contains oil | No |
| Max. oil capacity | 0.8 l |
| Max. oil change interval | 500 h |
| Oil SAE viscosity grade | 80W-90 |
| Housing material | Cast iron GGG40 |
| Weight | 16 kg |
| Gear arrangement Increasing | 3 |
| Gear ratio | 1:1.92 |
| Input power kW / HP Increasing | 22 / 30 kW/HP |
| Input shaft Increasing | X |
| Output Torque DaNm Increasing | 20 daNm |
| Ratio Increasing | 1: 1.92 |
| Ratio Reducing | 1.92: 1 |
| Shaft X | 1 3/8" (6) |
| Shaft Z | ASA Z12 D.P. 8/16 Ø40 |
![]() | ![]() |

![]() | ![]() |


Address
Luotuo Industrial Area, Zhenhai District, Ningbo City, China
Tel
