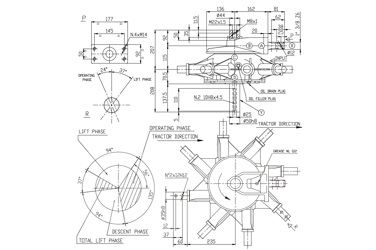
Rotary Rake Gearbox - Replacement of Comer Code K-789C
The rotary rake gearbox K-789C is a gearbox specifically made for use in rotary rakes, which are machines used in agriculture for gathering hay or other crops that have been cut from the field. The rotary rake gearbox K-789C is designed to provide efficient power transmission between the tractor and the rotary rake. It has a maximum torque of 390 Nm and is rated for the horsepower of up to 60 HP. This rotary rake gearbox has a gear ratio of 4.8:1 and is designed to work at a maximum speed of 540 RPM. It is also equipped with a friction disc slip clutch, which helps to protect the gearbox and the rest of the equipment from damage due to sudden loads or overloading.The rotary rake gearbox K-789C is made of high-grade materials and designed to withstand harsh operating conditions. It is also easy to install and maintain, making it an excellent choice for farmers and other agricultural professionals who are looking for a reliable and robust gearbox for their rotary rake equipment.

| Product Description | Rotary Rake Gearbox - Replacement of Comer Gearbox K-789C |
|---|---|
| Product details |
|
| Model | K-789C |
| Max. output torque | 190 nm |
| Suitable for machine/vehicle brand |
|
| Contains oil | No |
| Oil SAE viscosity grade | 90EP |
| Number of arms | 8 |
| Gear ratio | 7,2:1 |
| Input shaft | 1 3/8 Z6 |
| Shaft type | 1 x 1.3/8 (Z6) |
![]() | ![]() |



Address
Luotuo Industrial Area, Zhenhai District, Ningbo City, China
Tel
