Rotary Tiller Gearboxes - Replacement of Comer Code TB-278C
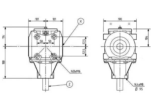
Rotary tiller gearbox TB-278C is a type of agricultural gearbox that is specifically designed for use in rotary tillers. It is a compact and durable gearbox that is designed to withstand the high loads and stresses encountered during tilling operations. The TB-278C rotary tiller gearbox provides a high torque capacity, allowing it to efficiently transfer power from the PTO shaft to the tiller blades. This gearbox is suitable for use with tractors of varying horsepower and can operate in a variety of soil conditions.The rotary tiller gearbox TB-278C features a cast iron housing that provides excellent strength and durability, helping to ensure reliable performance and long service life. It has a 1-3/8 inch, six-spline input shaft and a 1-3/8 inch, six-spline output shaft, making it compatible with standard PTO shafts. The gearbox also features a gear ratio of 1:1.46, which helps to optimize the power transfer from the tractor to the tiller blades.Overall, the TB-278C rotary tiller gearbox is a dependable and efficient gearbox that is designed to meet the high demands of rotary tiller operations.![]() | ![]() |
![]() | ![]() |
![]() |
| Description | Rotary Tiller Gearboxes - Replacement of Comer Gearbox TB-278C |
|---|---|
| Application |
|
| Consists of |
|
| Technical information |
|
| Max. output torque | 100.8 daNm |
| Contains oil | No |
| Max. oil capacity | 1.6 l |
| Max. oil change interval | 500 h |
| Oil SAE viscosity grade | 80W-90 |
| Housing material | Cast iron GG25 |
| Weight | 24 kg |
| Gear arrangement Reducing | 5 - 6 |
| Gear ratio | 1.6:1 |
| Input shaft Reducing | Z |
| Input power KW / HP Reducing | 36.8 / 50 kW/HP |
| Ratio Increasing | 1:1,6 |
| Ratio Reducing | 1.6: 1 |
| Shaft X | 41,45 mm hexagonal (C) |
| Shaft Z | 1 3/8" (6) (A) |
![]() | ![]() |


Address
Luotuo Industrial Area, Zhenhai District, Ningbo City, China
Tel
