Round Baler Gearbox EP2100-T3 for Round Baler and Harvester
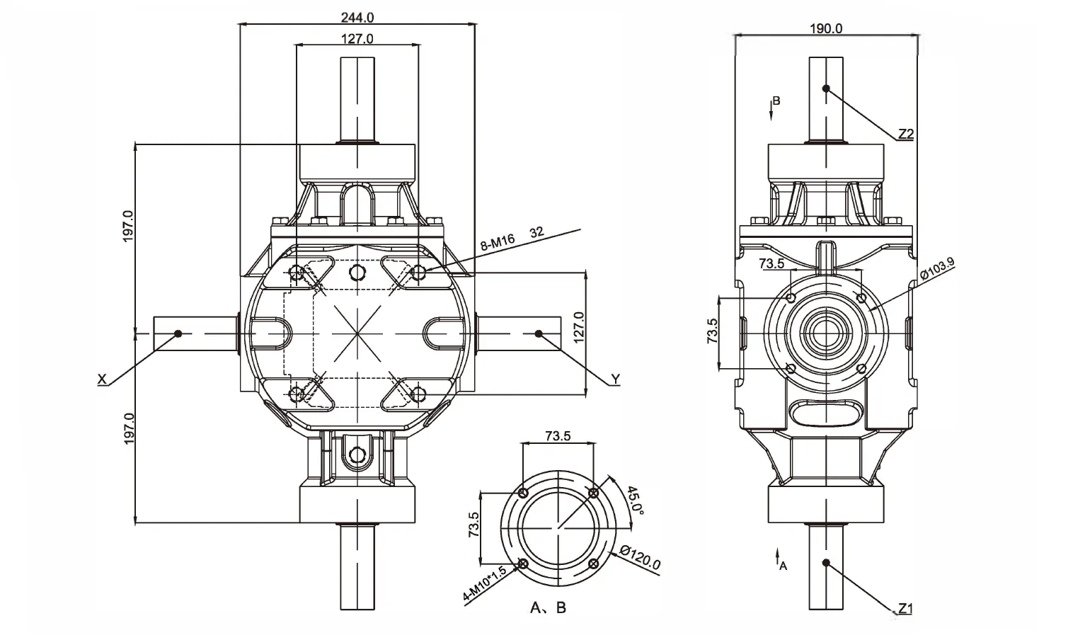
The round baler gearbox EP2100-T3 is a type of gearbox specifically designed for round balers and harvesters. It is an essential component in these agricultural machines, as it helps facilitate the baling and harvesting processes. The round baler gearbox is responsible for transmitting power from the tractor's power take-off (PTO) to the baler or harvester. It converts the rotational motion from the PTO into the appropriate speed and torque required for the baler's operations. This gearbox is designed to handle the high loads and stresses associated with baling and harvesting, ensuring smooth and efficient operation.The EP2100-T3 gearbox is specifically engineered to meet the demanding requirements of modern round balers and harvesters. It is built with robust materials and precision engineering to withstand the harsh conditions and heavy workloads encountered in the field. The gearbox is typically constructed with high-strength gears, bearings, and shafts that can handle the forces involved in the baling and harvesting processes.The round baler gearbox's design includes various gear ratios to provide the necessary speed and torque combinations for different tasks. This versatility allows the operator to adjust the machine according to the specific crop conditions and baling requirements. The EP2100-T3 gearbox is engineered to deliver consistent performance and reliability, ensuring the smooth operation of the baler or harvester.


| i | Suitable | Rpm input | Rpm output | KW(Nom) | Output torque | Toothing | |
| r/min | r/min | hp | N.m | ||||
| Decelerate | 2.1 :1 | Round baler, harvester, etc | 540 | 257 | 80 | 100 | Gleason HelicalTeeth |
| Remark: If you have any special require feel free let me know, we also accept custom. | |||||||


![]() | ![]() |
![]() | ![]() |

![]() | ![]() |
![]() | ![]() |
Address
Luotuo Industrial Area, Zhenhai District, Ningbo City, China
Tel
