Round Baler Gearbox - Replacement of Comer Code TV-290H
A round baler gearbox is a mechanical component that is an essential part of a round baler machine used in agricultural activities. The gearbox is responsible for transmitting power from the tractor to the baler's components, such as the pickup, the belts, and the bale chamber.

| i | 2.07 |
| N1[rpm] | 540 |
| P1[kW] | 51.5 |
| M2[Nm] | 1828 |
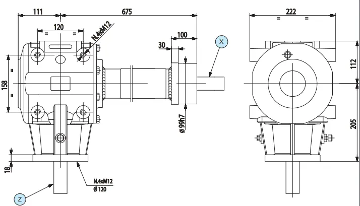
Shaft X![]() | 39*40 |
Shaft Z![]() | 1'' 3/8 Z6 |
| Input | Z |

Address
Luotuo Industrial Area, Zhenhai District, Ningbo City, China
Tel
