S-A QD Weld-On Hubs
S-A QD weld-on hubs are a type of hub designed for use with S QD (Quick Detachable) bushings. These hubs are specifically engineered to provide a secure and reliable connection between a shaft and a component, such as a sprocket, pulley, or sheave.The S-A QD weld-on hubs are typically made from high-quality steel and feature a flange with pre-drilled bolt holes that match the pattern of the corresponding component. They are designed to be welded directly onto a shaft, creating a permanent and rigid attachment.When using S-A QD weld-on hubs in conjunction with S QD bushings, the bushing is mounted onto the shaft, and then the hub is welded onto the shaft over the bushing. The hub and the bushing work together to securely lock the component onto the shaft, allowing for efficient power transmission and minimizing the risk of slippage or misalignment.The advantage of using S-A QD weld-on hubs is that they offer a robust and permanent connection, which is particularly beneficial in applications that involve high torque or heavy loads. Additionally, the use of S QD bushings allows for easy installation and removal of the component without the need for specialized tools or excessive downtime.
![]() | ![]() |
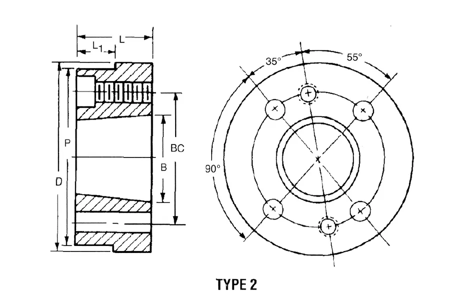
| QD Hub Types | S-A Weld-On Hubs | |
| For Bushing | S QD Bushings | |
| Dimensions (Inches) | D | 19.500" |
| L | 12" | |
| B | 12.125" | |
| P | 18.75" | |
| L1 | 7.5" | |
| BC | 15" | |
| Type Drilling | 2" | |
| Weight (lbs) | 558 lbs | |

![]() | ![]() |
Address
Luotuo Industrial Area, Zhenhai District, Ningbo City, China
Tel
