SD-U2 Series Harmonic Drive (Strain Wave Gear Reducer)
The SD-U2 series harmonic drive reducer is a type of precision gear mechanism widely used in various industries for high-precision motion control applications. The SD-U2 series is designed to provide high torque transmission with minimal backlash and high positional accuracy. It consists of three main components: a wave generator, a flex spline, and a circular spline. The wave generator is connected to the input side and generates a wave motion that drives the flex spline, which in turn drives the circular spline. This motion conversion mechanism allows for high gear reduction ratios in a compact design.One of the key advantages of the SD-U2 series is its high torque transmission capability. It can handle significant torque loads while maintaining high precision and repeatability. This makes it suitable for applications that require accurate positioning and smooth operation, such as robotics, machine tools, aerospace systems, and medical devices.The SD-U2 series also offers improved performance in terms of backlash and torsional stiffness. Backlash refers to the amount of play or clearance between the teeth of the gears. The SD-U2 series minimizes backlash, resulting in better control and accuracy in motion control systems. Torsional stiffness, on the other hand, refers to the ability of the system to resist twisting forces. The SD-U2 series provides enhanced torsional stiffness, allowing for better load transmission and stability. Additionally, the SD-U2 series is designed to be compact and lightweight, making it suitable for applications where space is limited or weight reduction is crucial. The compact design enables easy integration into existing systems without occupying excessive space.
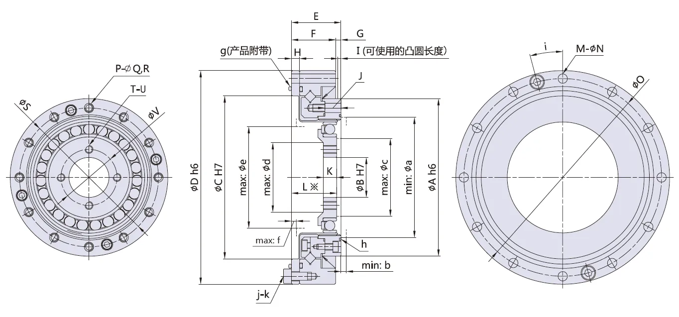
1. Tight and simple design2. Ultra-flat construction3. High torque capacity4. High rigidity5. No backlash6. Excellent positioning and rotational accuracy7. Input and output coaxial



| reduction ratio/models | 14 | 17 | 20 | 25 | 32 |
| 050 | 6.2 | 19 | 25 | 39 | 60 |
| 080 | 5.0 | 16 | 23 | 36 | 55 |
| 100 | 4.8 | 17 | 22 | 34 | 50 |
| 120 | - | 13 | 22 | 34 | 48 |
| 160 | - | - | 22 | 33 | 47 |
| Models | Roller pitch circle diameter | offset | Basic load rating | Allowable Moment Load Mc | Torque rigidity Km | |
| dp | R | Basic dynamic rated load cr | Basic static load rating | Nm | Nm/rad | |
| m | m | N | N | |||
| 14 | 0.0503 | 0.0111 | 29 | 43 | 37 | 7.08 |
| 17 | 0.061 | 0.0115 | 52 | 81 | 62 | 12.7 |
| 20 | 0.070 | 0.011 | 73 | 110 | 93 | 21 |
| 25 | 0.086 | 0.0121 | 109 | 179 | 129 | 31 |
| 32 | 0.112 | 0.0173 | 191 | 327 | 290 | 82.1 |



![]() | ![]() |
![]() | ![]() |
![]() | ![]() |
![]() | ![]() |
Address
Luotuo Industrial Area, Zhenhai District, Ningbo City, China
Tel
