SF Series Solid Shaft Helical Worm Gearbox with Flange Mounted
SF series helical gearbox is one type of S series helical worm gearbox with a flange mounted. SF series helical worm gear reducer is a reducer that is driven by a combination of helical gears and worm gears. This series of reducers we manufactured have complete specifications, a wide speed range, good versatility, adaptability to various installation methods, safe and reliable performance, and long service life, as well as implementing the requirements of international standards.The uneven surface of the housing has features of good heat dissipation, and strong vibration absorption, to make the reducer low-temperature rise and low noise. It also has good sealing performance and strong adaptability to the working environment. SF series helical worm gearbox has high transmission accuracy and is especially suitable for working on occasions with frequent starting. It can be connected to various reducers and equipped with various types of motor drives and can be installed in a 90-degree transmission operating position. Its key components are made of highly wear-resistant materials and undergo special heat treatment, which has the characteristics of high accuracy, stable transmission, small size, large load capacity, and long service life.
| Product name: | SF series helical gearbox |
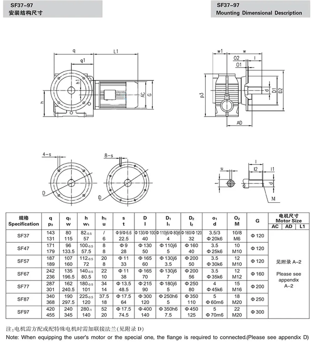
| Model: | SF37、SF47、SF57、SF67、SF77、SF87、SF97 |
| Mounting ways: | Foot mounted, flange mounted, hollow shaft mounted, torque arm |
| Input ways: | Motor input, AM (IEC) flange input, and shaft input |
| Output way: | Solid shaft output or hollow shaft output |
| Efficiency: | up to 96% |
| Housing material: | HT250 high-strength cast iron |
| Worm Gear material: | High-quality copper |
| Gear material: | 20CrMnTi |
| Surface hardness of gears: | HRC58-62 |
| Input/Output shaft: | 40Cr steel |
| Heat treatment: | Carburizing and quenching |
| Bearing: | C&U or another brand |
| Oil seal: | NAK or another brand |
| Lubricating oil: | Gear oil |
| Packing: | Pywood case |
| Size | 37 | 47 | 57 | 67 | 77 | 87 | 97 |
| Structure | S SA SF SAF SAT SAZ | ||||||
| Input power(kW) | 0.18-0.75 | 0.18-1.5 | 0.18-3 | 0.25-5.5 | 0.55~7.5 | 0.75-15 | 1.5-22 |
| Ratio | 10.27~165.71 | 11.46-244.74 | 10.75-196.21 | 11.55-227.20 | 96-241.09 | 11.83-223.26 | 12.75-230.48 |
| Permissible torque(N.m) | 90 | 170 | 300 | 520 | 1270 | 2280 | 4000 |
| S Series | Foot mounted helical worm gearbox with solid shaft |
| SA Series | Helical worm gearbox with hollow shaft |
| SAZ Series | Small flange mounted helical worm gearbox with hollow shaft |
| SF Series | Flange mounted helical worm gearbox with solid shaft |
| SAF Series | Flange mounted helical worm gearbox with hollow shaft |
| SAT Series | Torque arm mounted Helical worm gearbox with hollow shaft |
| S(SF, SA, SAF, SAZ)Series | Shaft input shaft Helical worm gearbox |
| S(SF, SA, SAF, SAZ)...R Series | Combined Helical worm gearbox |
| SA(SF, SA, SAF, SAZ)S Series | Shaft input combined Helical worm gearbox |





Address
Luotuo Industrial Area, Zhenhai District, Ningbo City, China
Tel
