| Location: | China |
| Business Type: | Manufacturer, Exporter |
| Brands: | |
| Certificate: | SGS,ISO9001:2008 ,etc |
| Model: | |
| Terms of payment and delivery: | FOB,CIF,etc |
| Minimum order quantity: | consulting |
| Price: | Consultation |
| Packing details: | consulting |
| Delivery time: | consulting |
| Payment method: | TT,L/C,etc |
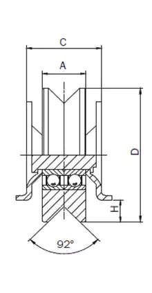
| NO. | D mm | A | C | H | WEIGHT(g) |
| HS1V50 | 50 | 15 | 24 | 7 | 197 |
| HS1V60 | 58 | 17 | 28 | 7 | 323 |
| HS1V70 | 68 | 20 | 27 | 11 | 516 |
| HS1V80 | 78 | 20 | 27 | 16 | 679 |
| HS1V90 | 88 | 20 | 30 | 12 | 911 |
| HS1V100 | 98 | 22 | 30 | 17 | 1274 |
| HS1V120 | 118 | 22 | 34 | 22 | 2067 |

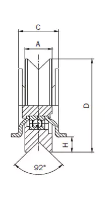
| NO. | D mm | A | C | H | WEIGHT(g) |
| HS2V70 | 68 | 25 | 37 | 11 | 570 |
| HS2V80 | 78 | 25 | 37 | 16 | 831 |
| HS2V90 | 88 | 25 | 38 | 12 | 1160 |
| HS2V100 | 98 | 25 | 38 | 17 | 1443 |
| HS2V120 | 118 | 30 | 42 | 22 | 2525 |
Address
Luotuo Industrial Area, Zhenhai District, Ningbo City, China
Tel
