Spindle Unit for CNC Lathe JSC180 JSC200
Lathe spindles are used for machining workpieces. They can also be called workpiece spindles because the workpiece is clamped by the chuck of the lathe spindle. Rotating workpieces are machined by tools attached to the driven machine shaft. Raydafon is a leading manufacturer of all types of spindle units. Whether workpiece spindles, drilling spindles, milling spindles, or lathe spindles - Weiss offers top quality Made in Germany worldwide. Raydafon is one of the technological leaders in the manufacture of electro spindles. Especially in the field of single spindles for special applications, such as machine cutting, Raydafon has decades of strength.

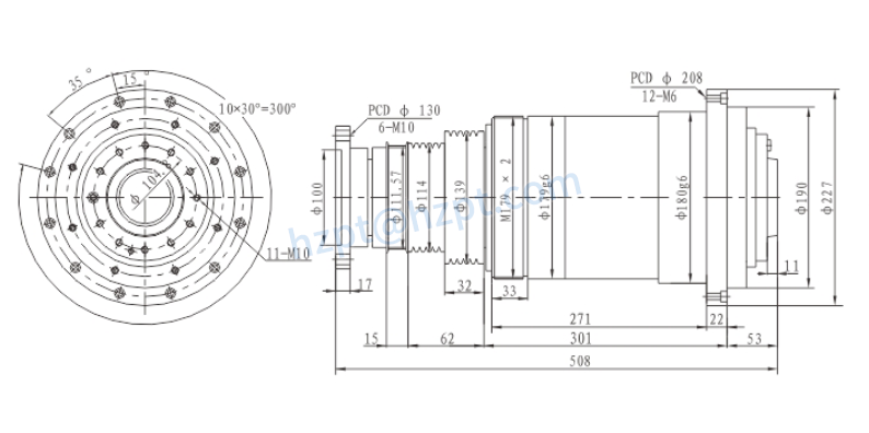
1. For horizontal use the water holes on the gland must be vertically downwards.2. Inside and outside spindle taper runout ≤0.003.3. Distance 300mm runout: near the end is ≤0.002, and the far end is ≤0.007.4. The form of pulley and encoder can be specified by the customer.5. Accept the special specifications of customers.
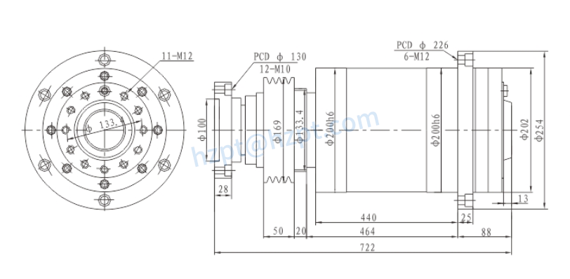
1. For horizontal use, the water holes on the gland must be vertically downwards.2. Inside and outside spindle taper runout ≤0.003.3. Distance 300mm runout: near the end is ≤0.002, and the far end is ≤0.007.4. The form of pulley and encoder can be specified by the customer.5. Accept the special specifications of customers.




Address
Luotuo Industrial Area, Zhenhai District, Ningbo City, China
Tel
