Square Baler Gearbox RDF-FK136
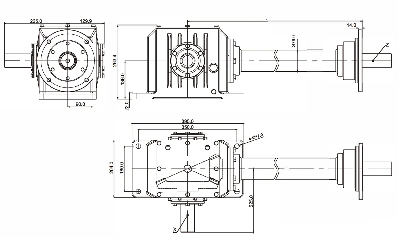
The Square Baler Gearbox RDF-FK136 is a crucial mechanical component specifically designed for square balers, which are extensively used in the agricultural industry for compacting and binding various types of crop materials into square-shaped bales. This particular model of gearbox plays a vital role in the functionality and efficiency of square balers.The primary role of the RDF-FK136 Square Baler Gearbox is to efficiently transmit mechanical power from the tractor's Power Take-Off (PTO) to the operational components of the square baler. This includes mechanisms like the plunger that compresses the crop material, the pickup mechanism that gathers the crops, and the knotting apparatus that ties the bales. The gearbox is responsible for regulating the speed at which the baler operates, ensuring that the moving parts of the baler, such as the plunger and the pickup mechanism, operate at the correct speeds to efficiently form compact and well-shaped bales.


| i | Suitable | Rpm input | Rpm output | KW(Nom) | KW(Max) | Toothing | |
| r/min | r/min | hp | hp | ||||
| Speed increase | 1:2.28 | Square Baler, etc | 540 | 1231.2 | 140 | 500 | Gleason StraightTeeth |
| Remark: If you have any special require feel free let me know, we also accept custom. | |||||||




![]() | ![]() |
![]() | ![]() |
Address
Luotuo Industrial Area, Zhenhai District, Ningbo City, China
Tel
