SZHQ Type Double Coordinate Worktable
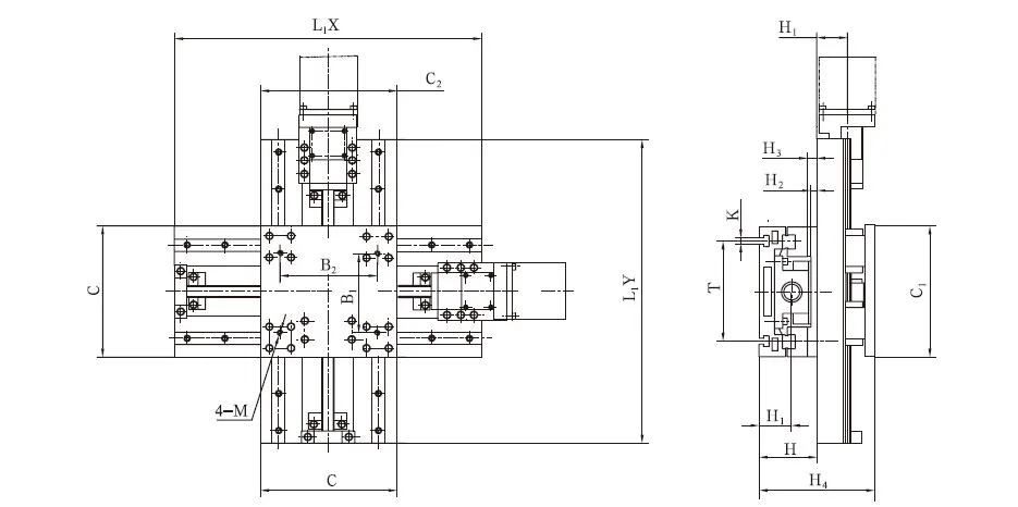
SZHQ type double coordinate worktable is a versatile and robust solution designed to elevate precision and efficiency in workstation operations. This innovative product is engineered to provide smooth and accurate movement along two coordinate axes, enabling multidirectional positioning and enhancing productivity across various industrial and laboratory applications.The SZHQ type double coordinate worktable is a versatile and precise tool for enhancing workstation operations. With its enhanced precision, dual-axis flexibility, sturdy construction, and smooth operation, this worktable provides a reliable and efficient solution for various industrial and laboratory tasks. By following the recommended usage method and maintenance guidelines, you can unlock the full potential of the SZHQ type double coordinate worktable, leading to improved workflow, increased productivity, and exceptional results in your daily operations. Experience the versatility and precision of the SZHQ type double coordinate worktable today and elevate your workstation capabilities to new heights.CNC precision worktable consists of a linear motion guide as guide supporting and ball screw as motion enforcing parts. Its advantages include high accuracy, high efficiency, long lifetime, less abrasion, saved energy, small friction coefficient, compact structure, and wide application. It is widely used for measuring, laser welding, laser cutting, gelatinization, boring, small-type CNC machine tools, ray screeners, carving & milling machines, actual teaching situations, etc.













Address
Luotuo Industrial Area, Zhenhai District, Ningbo City, China
Tel
