
The TD75 Belt Conveyor Bend Pulley is a critical component in mining machinery, designed to redirect the conveyor belt or increase the wrap angle around the drive pulley for enhanced traction. As part of the TD75 conveyor system, standardized in 1975, this bend pulley is widely used in industries such as mining, metallurgy, ports, and construction for reliable bulk material handling. Engineered for durability and efficiency, it operates seamlessly in harsh environments, handling materials like coal, ore, and aggregates. This product page provides a comprehensive overview of the TD75 Bend Pulley’s features, applications, installation guidelines, customer feedback, and answers to common questions, optimized to assist mining professionals in selecting the right component for their conveyor systems.
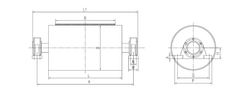
Unit: mm| B | D | A | L | L1 | Q | P | H | h | M | N | ds | Bearing model | Drawing No |
| 500 | 320 | 800 | 600 | 902 | 260 | 320 | 90 | 33 | 70 | — | 22 | 1310 | TD1B1 |
| 400 | TD1B2 | ||||||||||||
| 650 | 320 | 960 | 750 | 1062 | 260 | 320 | 90 | 33 | 70 | — | 22 | 1310 | TD2B1 |
| 400 | 280 | 340 | 100 | 27 | 1312 | TD2B2 | |||||||
| 500 | TD2B3 | ||||||||||||
| 800 | 320 | 1180 | 950 | 1282 | 280 | 340 | 100 | 33 | 70 | — | 27 | 1312 | TD3B1 |
| 400 | 1292 | 350 | 410 | 120 | 90 | 1316 | TD3B2 | ||||||
| 500 | TD3B3 | ||||||||||||
| 630 | TD3B4 | ||||||||||||
| 1000 | 400 | 1410 | 1150 | 1512 | 280 | 340 | 100 | 33 | 70 | — | 27 | 1312 | TD4B2 |
| 500 | 1522 | 350 | 410 | 120 | 90 | 1316 | TD4B3 | ||||||
| 630 | TD4B4 | ||||||||||||
| 800 | TD4B5 | ||||||||||||
| 1200 | 400 | 1660 | 1400 | 1762 | 280 | 340 | 100 | 33 | 70 | — | 27 | 1312 | TD5B2 |
| 500 | 1790 | 380 | 460 | 140 | 130 | 80 | 3520 | TD5B3 | |||||
| 630 | TD5B4 | ||||||||||||
| 800 | TD5B5 | ||||||||||||
| 1000 | TD5B6 | ||||||||||||
| 1400 | 400 | 1860 | 1600 | 1962 | 280 | 340 | 100 | 33 | 70 | — | 27 | 1312 | TD6B2 |
| 500 | 1990 | 380 | 460 | 140 | 130 | 80 | 3520 | TD6B3 | |||||
| 630 | TD6B4 | ||||||||||||
| 800 | TD6B5 | ||||||||||||
| 1000 | TD6B6 | ||||||||||||
| 1250 | TD6B7 |
The TD75 Bend Pulley is designed to ensure smooth belt redirection and optimal conveyor performance. Below are its key features:
Compact and Lightweight Design
Features a compact structure for easy integration into conveyor systems, minimizing space requirements.
Lightweight construction reduces the load on the conveyor frame, ideal for confined spaces.
High-Strength Construction
Made from carbon steel (Q235 or equivalent) or corrosion-resistant materials to endure harsh mining conditions.
Welded or cast-welded structure options for enhanced durability under heavy loads.
Customizable Lagging
Optional rubber or ceramic lagging to enhance belt grip and reduce wear.
Lagging thicknesses available in 8mm, 10mm, 12mm, 15mm, or 20mm to suit application needs.
Precision Manufacturing
High-accuracy steel pipes and precise welding ensure low vibration and noise.
Static and dynamic balance testing guarantees smooth operation at high speeds.
Durable Shaft Design
Shafts made from medium carbon steel or alloy steel, quenched and tempered for improved strength and wear resistance.
Multiple installation options, including integral or split bearing seats, for flexibility.
Proper installation of the TD75 Bend Pulley ensures optimal belt tracking and system performance. Follow these steps for a successful setup:
Pre-Installation Checks
Verify pulley specifications (diameter, shaft size, lagging type) match conveyor requirements.
Inspect the conveyor frame for alignment and structural integrity.
Positioning
Install the bend pulley at the appropriate location to change belt direction or increase the wrap angle around the drive pulley.
Ensure the pulley is aligned with the conveyor frame to prevent belt mistracking.
Shaft and Bearing Installation
Secure the shaft to the conveyor frame using integral or split bearing seats, depending on the design.
Verify bearing alignment to minimize friction and wear.
Belt Tension Adjustment
Adjust the bend pulley position to achieve the desired wrap angle and belt tension.
Use the formula for belt tension:[ T = \frac{P_p \cdot 1000}{v} ] where (T) is belt tension (N), (P_p) is power (kW), and (v) is belt speed (m/s).
Lagging Verification
Ensure lagging is securely bonded to the pulley surface to prevent slippage.
For replacement, remove old lagging completely before applying new material.
Final Inspection
Check alignment, tension, and secure mounting.
Run the conveyor at low speed to confirm smooth belt redirection before full operation.
Use trained technicians to comply with safety standards.
Document installation parameters for maintenance records.
Contact us for expert installation guidance.
Regular maintenance ensures the TD75 Bend Pulley’s longevity and performance:
Inspections: Check lagging, shaft, and bearings every 3-6 months for wear.
Lubrication: Apply grease to bearings as recommended to reduce friction.
Belt Cleaning: Use belt scrapers to prevent material buildup on the pulley.
Tension Monitoring: Verify belt tension to avoid slippage or excessive strain.
Quality Spare Parts: Use OEM parts compliant with TD75 standards for repairs.


| Roller type | Speed (m/s) | Belt width(mm) | Roller type | Speed (m/s) | Belt width(mm) | ||||||||||
| 500 | 650 | 800 | 1000 | 1200 | 1400 | 500 | 650 | 800 | 1000 | 1200 | 1400 | ||||
| Capacity Q(t/h) | Capacity Q(t/h) | ||||||||||||||
| Trough roller | 0.8 | 78 | 131 | ― | ― | ― | ― | Parallel roller | 0.8 | 41 | 67 | 118 | ― | ― | ― |
| 1 | 97 | 164 | 278 | 435 | 655 | 891 | 1 | 52 | 88 | 147 | 230 | 345 | 469 | ||
| 1.25 | 122 | 206 | 348 | 544 | 819 | 1115 | 1.25 | 66 | 110 | 184 | 288 | 432 | 588 | ||
| 1.6 | 156 | 264 | 445 | 696 | 1048 | 1427 | 1.6 | 84 | 142 | 236 | 368 | 553 | 753 | ||
| 2 | 191 | 323 | 546 | 853 | 1284 | 1748 | 2 | 103 | 174 | 289 | 451 | 677 | 922 | ||
| 2.5 | 232 | 391 | 661 | 1033 | 1556 | 2118 | 2.5 | 125 | 211 | 350 | 546 | 821 | 1117 | ||
| 3.15 | ― | ― | 824 | 1233 | 1858 | 2528 | 3.15 | ― | ― | ― | ― | ― | ― | ||
| 4 | ― | ― | ― | ― | 2202 | 2996 | 4 | ― | ― | ― | ― | ― | ― |
The TD75 Bend Pulley has earned praise from mining professionals for its reliability and efficiency. Below are testimonials from satisfied customers:
Shanxi Coal Mining Co., China
“The TD75 Bend Pulley from [Your Company Name] improved our conveyor system’s belt tracking significantly. Maintenance costs dropped by 25%, and their support team was outstanding.” – Li Ming, Operations Manager
Australian Gold Mine
“We installed the TD75 Bend Pulley in our high-capacity conveyor, and it’s been flawless. The compact design fit perfectly, and the ceramic lagging reduced belt wear.” – Emma Wilson, Site Engineer
South African Port Terminal
“The corrosion-resistant coating on the TD75 Bend Pulley has been a game-changer for our coastal operations. It’s reliable and low-maintenance.” – Thabo Nkosi, Logistics Manager
Chilean Copper Mine
“The TD75 Bend Pulley’s precision engineering eliminated belt mistracking issues. We’ve seen a 20% improvement in conveyor uptime.” – Juan Morales, Maintenance Supervisor
These testimonials highlight [Your Company Name]’s commitment to quality and customer satisfaction, reinforcing our industry authority.
Below are answers to common questions about the TD75 Bend Pulley, addressing user concerns and incorporating long-tail keywords for SEO:
1. What is the TD75 Belt Conveyor Bend Pulley?
A component that changes the conveyor belt’s direction or increases the wrap angle around the drive pulley, used in mining, metallurgy, and ports.
2. What lagging options are available for the TD75 Bend Pulley?
Rubber lagging for general use and ceramic lagging for high-abrasion environments, available in 8mm to 20mm thicknesses.
3. How often should I maintain the bend pulley?
Inspect every 3-6 months, focusing on lagging, bearings, and shaft condition. Regular lubrication and cleaning ensure longevity.
4. Can the TD75 Bend Pulley be customized?
Yes, we offer tailored diameters, lagging types, and shaft designs to meet specific conveyor needs. Contact us for details.
5. Which industries use the TD75 Bend Pulley?
Mining, metallurgy, ports, construction, and power plants for bulk material handling.
Address
Luotuo Industrial Area, Zhenhai District, Ningbo City, China
Tel
