The tractor oil cylinder, commonly known as a hydraulic cylinder, is vital for efficient agricultural machinery operation. This device transforms hydraulic energy into mechanical force, allowing for essential functions like lifting, pushing, and pulling. Recognizing its significance and learning how to use it properly can significantly improve your tractor's performance.The tractor oil cylinder is a crucial part of agricultural machinery that ensures optimal performance and efficiency. By familiarizing yourself with its features, proper usage, and maintenance, you can significantly improve your tractor's functionality and extend the lifespan of its hydraulic systems. Invest in high-quality oil cylinders and follow the best maintenance practices to keep your agricultural operations running smoothly.
Note: 1. Speed ratio Φ refers to the ratio of the effective area of the piston and the effective area of the piston rod cavity.2. Speed ratio 1.46-rod diameter is the preferred series.3. The maximum travel specified in the S> table required by the user shall be settled through negotiation between the two parties.4. The minimum travel of the hinge shaft and the middle flange connection is selected according to Tables 5, 6, 7, and 8.5.1Mpa is equal to 10kgfcm².







Piston Rod End With External Thread Rod Head For Earring Connection Mounting Connection Dimensions Table 6-1

Piston Rod For External Threaded Rod Head Earring Connection Mounting Connection Size Table (Hinge Shaft, End, Middle Flange) Table 6-2

unbuffered

buffered
Note: If the installation distance required by the user is the same as L1+S to L4+S or L21 to L24 in Table 5 to Table 8, the installation distance can not be written down when ordering; If not, the installation distance must be written. However, the required installation distance can only be greater than or equal to L1+S to L4+S or L21 to L24. The dimensions L31 to L38 selected by the user shall be within the range specified in Tables 5 to 8.For example, a user needs a hydraulic cylinder: the installation is a hinge shaft, the piston rod end is an external threaded rod head earring joint bearing, the bottom end of the cylinder is cushioned, and the cylinder diameter isΦ150, rod diameter Φ85, stroke 1000, installation distance L33 is 800, the model and stroke used for ordering, installation distance is:
3. Selection Check:After the user finishes the selection, please check the selected main parameters (cylinder diameter, piston rod diameter) and connection number in Table 1, Table 2, and Table 3 to avoid selection errors.





This product has two styles to choose from, the size will be different, please carefully distinguish!In this picture, the sizes of model A and model B are at the end of the page.Please inform the customer service staff of the specified style and note that there is no specified style, the company will send randomly.Data will be in error; please order carefully!
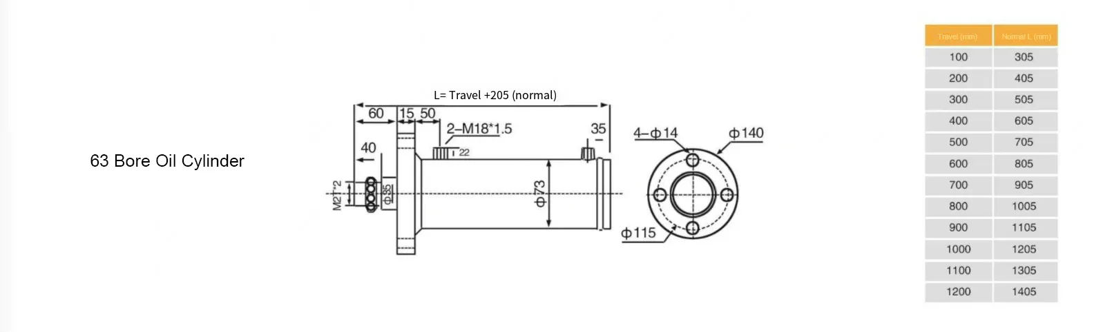
Electroplated piston rod, high hardness, wear resistance, corrosion resistance, prevent wear oil seal.FA-63X35 Product Parameters:Cylinder diameter 63MM, rod diameter 35MM, outer diameter 73MM, stroke 100-2000MM;Thread M18*1.5, rated pressure 16MPA, maximum 19MPA, thrust up to 5 tons;Some specifications support customization, so please consult the company's customer service staff.
Electroplated piston rod, high hardness, wear resistance, corrosion resistance, prevent wear oil seal.FA-100X63 Product Parameters:Cylinder diameter 100MM, rod diameter 63MM, outer diameter 110MM, stroke 100-2000MM;Thread M20*1.5, rated pressure 16MPA, maximum 19MPA, thrust up to 12.5 tons;Some specifications support customization, so please consult the company's customer service staff.

In addition to hydraulic cylinder replacement products, we offer a wide range of engineered hydraulic cylinders for different industrial scenarios. Our products are widely used in construction, mining, manufacturing, and other fields to meet the diverse needs of customers.We look forward to working with you to promote the progress and development of the hydraulic industry jointly!
Our company is a professional manufacturer of national standard, non-standard, special-shaped hydraulic cylinder production and processing enterprises; the host is widely used in gold, petroleum, mining, agriculture, engineering, construction, plasticizing, chemical industry, machine tools, vehicles, and other fields.International CertificationThe company has passed several international certifications, including ISO9001 and CE certification. These certifications reflect our strict requirements for product quality and enhance our competitiveness in the global market.Customized ServiceWe provide personalized, customized services according to the specific needs of customers and tailor-made suitable hydraulic cylinder solutions. Whether it is a unique size, material, or function, we can meet the requirements of our customers.Advanced Production EquipmentThe company has advanced equipment and automated production lines to ensure every product meets high-quality control standards. We constantly invest in technology upgrades to improve production efficiency and product quality.Quality After-sales ServiceWe pay attention to customer experience to provide a perfect after-sales service system. Whether it is product consultation, technical support or after-sales maintenance, we will happily serve customers to ensure their smooth use of our products.
The company's economic strength is a difficulty, strong R & D ability, sophisticated production equipment, car, innovation, grinding, boring, and other equipment. It has a tensile testing machine, pressure test bench, load test bench, and other testing equipment; over the years, the company has always been "quality first, customer first" for service to provide customers, at the same time, also produce 1-300 tons of pressure oil red, Mountain mine car oil red and various non-standard oil red. The company meets customer requirements and exceeds customer expectations, allowing customers to use our products and enjoy the most incredible convenience and service.
Since its establishment, the company has continued to study and strive to be secure; many indicators of the advantages and disadvantages of various production and processing methods have been collected, sorted out, statistics, analyzed, and comprehensive comparison to optimize the service. Choosing us is choosing a profession!
Address
Luotuo Industrial Area, Zhenhai District, Ningbo City, China
Tel
