Type F Taper Lock Weld-On Hubs
Type F taper lock weld-on hubs are mechanical components used in power transmission systems to connect shafts and other rotating equipment. These hubs are designed to provide a secure and reliable connection between the shaft and the driven component.Taper lock is a popular locking mechanism used in power transmission applications. It utilizes a tapered bushing that is inserted into the hub and tightened onto the shaft, creating a tight and secure fit. Weld-on hubs, as the name suggests, are hubs that are welded directly onto a shaft or other compatible surfaces. They are commonly used when a permanent and robust connection is required. Welding the hub onto the shaft ensures a strong bond and eliminates the need for additional fasteners.Type F taper bore weld-on hubs offer several advantages. First, the taper lock design provides excellent concentricity and alignment between the hub and the shaft, minimizing vibration and maximizing power transmission efficiency. Second, the weld-on feature ensures a durable and long-lasting connection, suitable for high torque and heavy-duty applications. Finally, the Type F taper bushed weld-on hubs are available in various sizes and configurations to accommodate different shaft diameters and application requirements.These Type F taper lock weld-on hubs are commonly used in industries such as mining, construction, agriculture, and manufacturing, where reliable power transmission is crucial. Typical applications include conveyor systems, gearboxes, pumps, and other machinery that require a secure shaft connection.

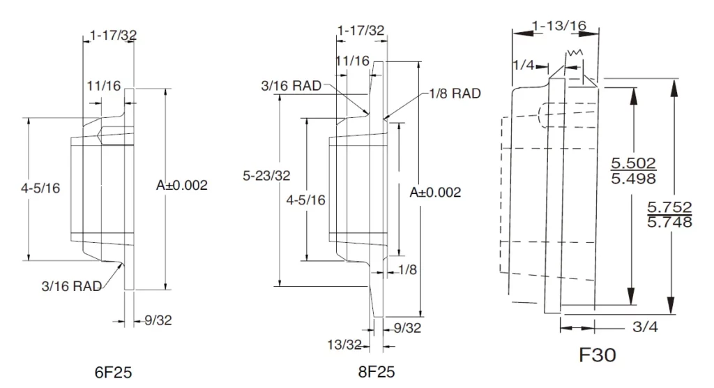
| Hub No. | Bush No. | Max. Bore | A O.D. | Wt. | Hub No. | Bush No. | Max. Bore | A O.D. | Wt. |
| 6F25P | 2517 | 2-1/2 | 6.048 | 3.9 | 8F25P | 2517 | 2-1/2 | 7.962 | 6.3 |
| 6F25A | 2517 | 2-1/2 | 5.685 | 3.8 | 8F25A | 2517 | 2-1/2 | 7.685 | 6.2 |
| 6F25B | 2517 | 2-1/2 | 5.664 | 3.8 | 8F25B | 2517 | 2-1/2 | 7.664 | 6.2 |
| 6F25C | 2517 | 2-1/2 | 5.625 | 3.8 | 8F25C | 2517 | 2-1/2 | 7.625 | 6.2 |
| 6F25D | 2517 | 2-1/2 | 5.579 | 3.8 | 8F25D | 2517 | 2-1/2 | 7.579 | 6.2 |
| 6F25E | 2517 | 2-1/2 | 5.537 | 3.8 | 8F25E | 2517 | 2-1/2 | 7.537 | 6.2 |
| F30 | 3020 | 3 | - | 5.3 | - | - | - | - | - |

![]() | ![]() |
Address
Luotuo Industrial Area, Zhenhai District, Ningbo City, China
Tel
