
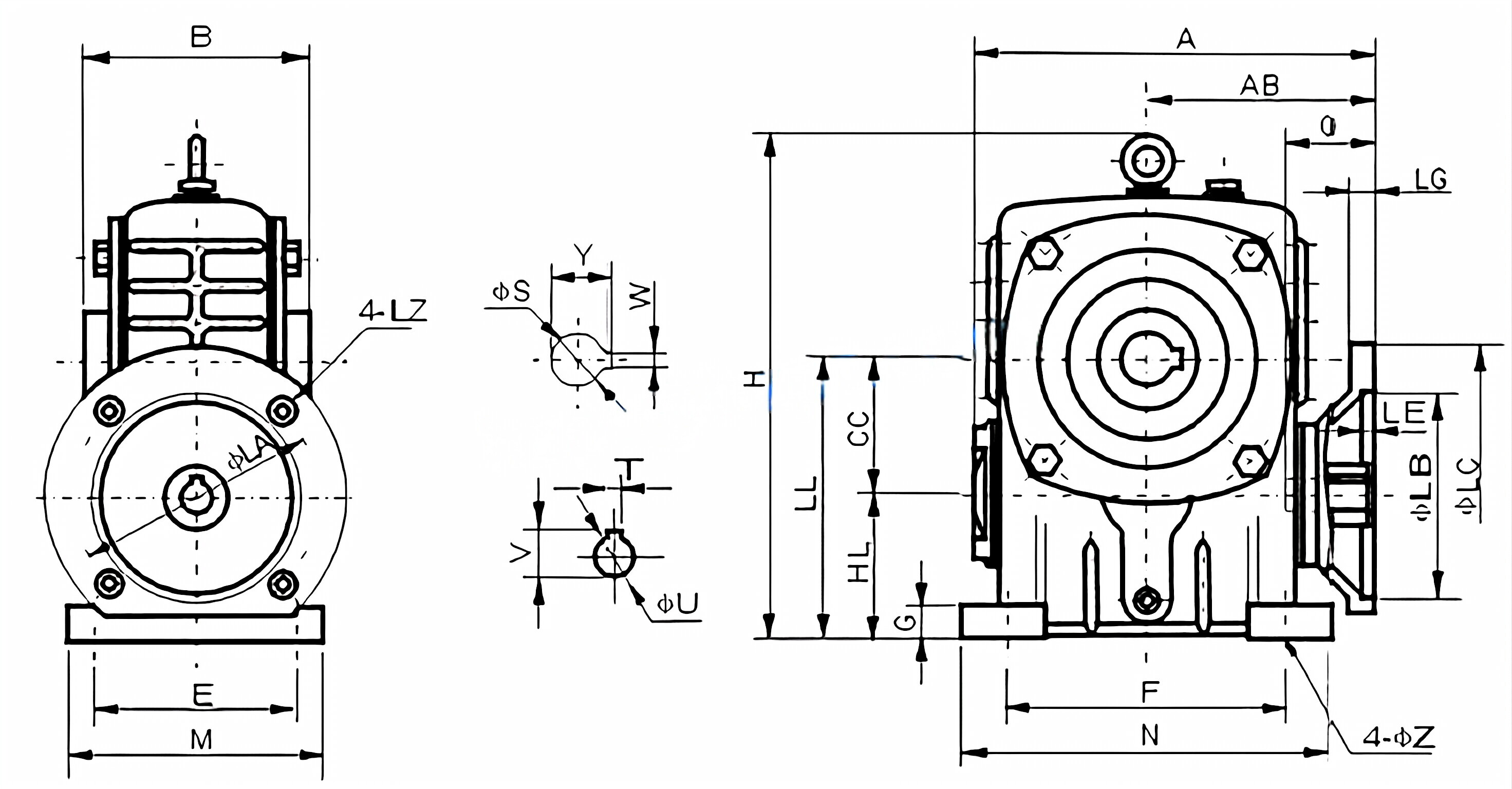
WPDKA Series Worm Gearboxes
A worm gearbox is a power transmission mechanism that uses the speed converter of the gear to reduce the rotation number of the motor (motor) to the required rotation number and obtain ample torque. A worm gearbox is widely used in the transmission of power and motion. The gear of the worm gearbox is generally made of high-strength alloy material with high precision and good contact. The worm gear reducer produced by our company has the advantages of high transmission efficiency, stable operation, small noise control, small volume, lightweight, long service life, and so on.![]() | ![]() |



![]() | ![]() |
Address
Luotuo Industrial Area, Zhenhai District, Ningbo City, China
Tel
