WPKA Series Worm Gearboxes
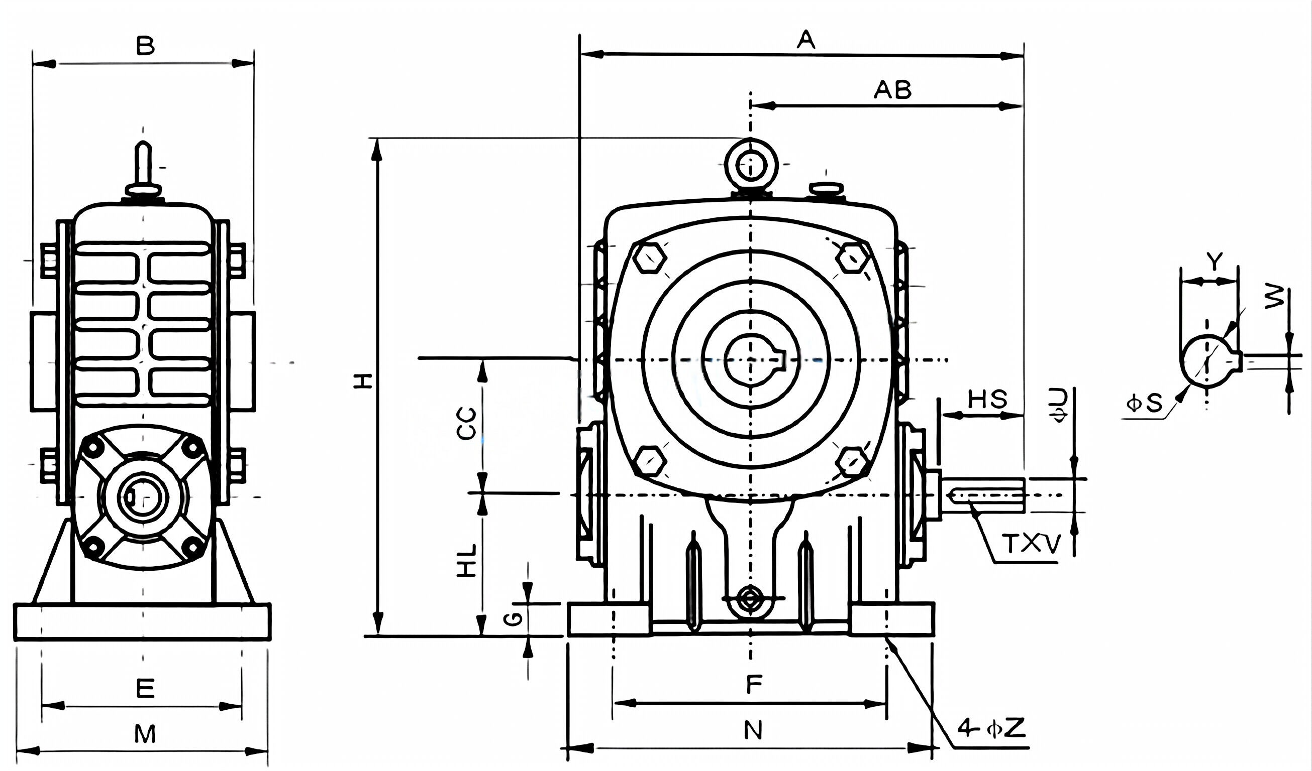
WPKA series worm gearboxes products are made of high-quality steel by heat treatment. The worm wheel is made of tin bronze. The wear resistance is good, especially in the bearing capacity. It is mainly used in plastics, metallurgy, beverage, mining, lifting and transportation, chemical industry. The deceleration transmission products of various mechanical equipment such as construction have stable transmission, large carrying capacity, low noise, compact structure, and significant reduction ratio; wide versatility and can be used with various mechanical equipment.WP series products specifications 40-250; transmission ratio 10-60 single stage, 200-900 double stage; input power 0.12-33.2kW; output torque 6-6050N.m: a total of 60 series of more than 20,000 different specifications, transmission ratio, connection, and installation methods can be selected to meet various user needs.![]() | ![]() |

![]() | ![]() | ![]() |

Address
Luotuo Industrial Area, Zhenhai District, Ningbo City, China
Tel
