


WX | WO |
WX Shaft Direction | WO Shaft Direction |
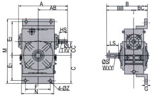
![]() ![]() | |
| SIZE | RATIO | A | AB | B | BB | BC | C | CC | E1 | E2 | F | M | N | G | Z | INPUT SHAFT | OUTPUT SHAFT | KG | ||||
| HS | U | T×V | LS | S | W×Y | |||||||||||||||||
| 40 | 1/101/201/301/401/501/60 | 148 | 91 | 123 | 78 | 45 | 85 | 40 | 72 | 97 | 70 | 195 | 96 | 10 | 9 | 25 | 12 | 4×2.5 | 28 | 14 | 5×3 | 4.2 |
| 50 | 175 | 105 | 145 | 95 | 50 | 110 | 50 | 90 | 110 | 90 | 225 | 115 | 14 | 11 | 30 | 12 | 4×2.5 | 40 | 17 | 5×3 | 6.5 | |
| 60 | 195 | 120 | 165 | 110 | 55 | 120 | 60 | 102 | 129 | 100 | 257 | 126 | 15 | 11 | 40 | 15 | 5×3 | 50 | 22 | 7×4 | 9 | |
| 70 | 234 | 140 | 195 | 130 | 65 | 135 | 70 | 120 | 155 | 120 | 305 | 155 | 20 | 15 | 40 | 18 | 5×3 | 60 | 28 | 7×4 | 14 | |
| 80 | 264 | 160 | 210 | 140 | 70 | 155 | 80 | 140 | 180 | 140 | 350 | 174 | 20 | 15 | 50 | 22 | 7×4 | 65 | 32 | 10×4.5 | 21 | |
| 100 | 322 | 190 | 253 | 163 | 90 | 180 | 100 | 165 | 215 | 190 | 410 | 224 | 20 | 15 | 50 | 25 | 7×4 | 75 | 38 | 10×4.5 | 33 | |
| 120 | 385 | 230 | 285 | 185 | 100 | 218 | 120 | 195 | 255 | 220 | 495 | 264 | 25 | 18 | 65 | 30 | 7×4 | 85 | 45 | 12×4.5 | 51 | |
| 135 | 435 | 260 | 320 | 210 | 110 | 253 | 135 | 230 | 285 | 260 | 560 | 304 | 30 | 18 | 75 | 35 | 10×4.5 | 95 | 55 | 15×5 | 75 | |
| 155 | 494 | 302 | 392 | 252 | 140 | 275 | 155 | 250 | 305 | 280 | 605 | 330 | 35 | 20 | 85 | 40 | 10×4.5 | 110 | 65 | 15×5 | 115 | |
Address
Luotuo Industrial Area, Zhenhai District, Ningbo City, China
Tel
