Raydafon Technology Group Co.,Limited
Raydafon Technology Group Co.,Limited
Products
Products
Y-HG1 Noraml Metallurgical Hydraulic Cylinder
  • Y-HG1 Noraml Metallurgical Hydraulic CylinderY-HG1 Noraml Metallurgical Hydraulic Cylinder

Y-HG1 Noraml Metallurgical Hydraulic Cylinder

Raydafon Group presents the Y-HG1 Metallurgical Hydraulic Cylinder: a robust, high-performance solution for industrial applications. Engineered with premium materials and precision technology, it ensures durability, efficiency, and smooth operation in demanding metallurgical environments. Ideal for manufacturers seeking reliable equipment to enhance productivity and reduce downtime, this cylinder offers superior strength and longevity. Experience confidence and operational excellence with this standout choice, designed to outperform competitors in quality and reliability.

Y-HG1 Noraml Metallurgical Hydraulic Cylinder

The Y-HG1 metallurgical hydraulic cylinder is a state-of-the-art hydraulic component specifically designed to meet the demanding requirements of metallurgical applications. With its advanced features, robust construction, and exceptional performance, the Y-HG1 cylinder offers precise control, durability, and reliability in the rigorous environments of steel mills, foundries, and other metallurgical processes. Whether for heavy-duty lifting, pressing, or positioning, the Y-HG1 cylinder sets new standards in hydraulic technology, making it the ideal choice for the metallurgical industry.Y-HG1 series of metallurgical equipment hydraulic cylinder for the double acting piston cylinder, cylinder diameter is generally in the range of 40~320mm, the working pressure <=16MPA, the hydraulic oil mechanical system can be used to lose emulsion and other working media, the installation of the flange, earrings, pins, trippers (base) and different types.High precision CNC honing machine, automatic welding machine, vertical, horizontal machining center, gantry machining center, CNC lathe, and other processing equipment, product quality is stable and guaranteed.Y-HG1 Noraml Metallurgical Hydraulic Cylinder

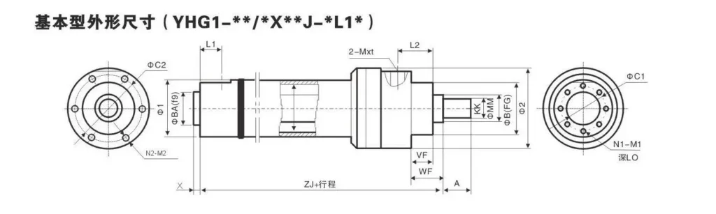
Y-HG1 Noraml Metallurgical Hydraulic Cylinder Parameter:

Y-HG1 Noraml Metallurgical Hydraulic Cylinder Y-HG1 Noraml Metallurgical Hydraulic Cylinder

Usage Method Of Y-HG1 Noraml Metallurgical Hydraulic Cylinder:

  1. Mounting and Installation:
    • Identify the appropriate location for mounting the Y-HG1 cylinder based on the specific requirements of your metallurgical equipment.
    • Ensure the mounting surface is clean, level, and capable of supporting the cylinder's weight and load.
  2. Connection to Hydraulic System:
    • Connect the Y-HG1 cylinder to the hydraulic system using compatible hydraulic hoses or pipes.
    • Ensure proper alignment and secure connections to prevent leaks and guarantee optimal performance.
  3. System Integration and Calibration:
    • Integrate the Y-HG1 metallurgical hydraulic cylinder into the metallurgical equipment or system following the manufacturer's guidelines.
    • Calibrate the system to achieve the desired operating parameters and ensure precise control over the cylinder's movements.
  4. Operating the Cylinder:
    • Activate the hydraulic system to apply pressure and initiate the movement of the Y-HG1 cylinder.
    • Utilize the hydraulic control system to precisely control the cylinder's extension, retraction, and positioning for efficient metallurgical operations.

Characteristics Of Y-HG1 Noraml Metallurgical Hydraulic Cylinder:

  • Robust Construction: The Y-HG1 cylinder is built with high-quality materials, ensuring durability and longevity in the demanding metallurgical environment.
  • Precise Control: This cylinder offers exceptional control and positioning accuracy, allowing operators to achieve exact movements for optimal metallurgical processes.
  • High Load Capacity: The Y-HG1 cylinder is designed to handle heavy loads commonly encountered in metallurgical applications, providing reliable lifting and pressing capabilities.
  • Corrosion Resistance: The cylinder's corrosion-resistant coating protects it from the harsh chemicals and extreme temperatures often present in metallurgical environments.
  • Versatile Mounting Options: The Y-HG1 cylinder offers versatile mounting options, allowing easy integration into various metallurgical equipment and systems.

How Does a Hydraulic Cylinder Work?

A hydraulic cylinder is a mechanical actuator that converts energy into linear motion. It consists of a cylindrical barrel, a piston, a piston rod, and various seals. Here's a simplified explanation of how a hydraulic cylinder works:
  1. Hydraulic Fluid:
    • A hydraulic cylinder operates using a hydraulic fluid housed within a closed system, usually oil or a specialized hydraulic fluid.
  2. Cylinder Structure:
    • The cylinder barrel is a hollow cylindrical housing that holds the hydraulic fluid.
    • The piston is a solid, cylindrical component that fits snugly inside the cylinder barrel and divides it into two chambers.
  3. Piston and Piston Rod:
    • The piston is connected to a piston rod extending out of one end of the cylinder barrel.
    • The piston rod provides a connection point for external objects or machinery to attach to the hydraulic cylinder.
  4. Seals:
    • Seals are positioned between the piston and the cylinder barrel to prevent hydraulic fluid leakage and maintain separation between the two chambers.
  5. Hydraulic Pressure:
    • Hydraulic pressure is generated by a hydraulic pump, which forces the hydraulic fluid into the cylinder through a control valve.
    • The control valve directs the flow of hydraulic fluid into either side of the cylinder, depending on the desired direction of motion.
  6. Extension (Outstroke):
    • When hydraulic fluid is directed into one side of the cylinder, it enters the chamber behind the piston, applying pressure to the piston.
    • The pressure forces the piston to move outward (extend) along with the piston rod, pushing or pulling any attached load.
  7. Retraction (Instroke):
    • To retract the piston, hydraulic fluid is directed into the opposite side of the cylinder.
    • The pressure in the chamber behind the piston decreases, while the fluid from the other chamber returns to the hydraulic reservoir.
    • The difference in pressure causes the piston to move back (retract) inside the cylinder barrel.
  8. Control and Precision:
    • The flow and direction of the hydraulic fluid are controlled by the operator or an automated control system using valves and other hydraulic components.
    • This control allows for precise and adjustable movement of the hydraulic cylinder, enabling accurate positioning and control over the attached load.
  9. Repeat Operation:
    • The hydraulic cylinder can repeat the extension and retraction process if hydraulic fluid is supplied and controlled correctly.

China Hydraulic Cylinder Manufacturers:

Raydafon is a company in the R&D and manufacture of metallurgical hydraulic cylinders. It maintains a leading position in China's market segment of hydraulic cylinders. In 2020, the domestic market share was around 29%. We produce Industrial vehicle metallurgical hydraulic cylinders, Aerial work vehicle metallurgical hydraulic cylinders, agricultural machinery hydraulic cylinders, and sanitation machinery hydraulic cylinders.We have a first-class independent R&D platform for assembly. The metallurgical hydraulic cylinder production workshop has four semi-automatic lifting cylinder assembly lines and one fully automatic tilting cylinder assembly line, with a designed annual production capacity of 1 million pieces; the special cylinder workshop is equipped with semi-automatic cleaning and assembly systems of various specifications, with a designed annual production capacity of 200,000 essays. It has famous CNC machining equipment, machining centers, special equipment for high-precision cylinder processing, robot welding machines, automatic cleaning machines, automatic cylinder assembly machines, and automatic paint production lines. We have more than 300 sets of critical equipment running. The optimized allocation and efficient utilization of equipment resources ensure the precision requirements of the products and meet the high standard quality requirements of the products.
Y-HG1 Noraml Metallurgical Hydraulic CylinderY-HG1 Noraml Metallurgical Hydraulic Cylinder
Hot Tags: Y-HG1 Hydraulic Cylinder Manufacturer, Metallurgical Hydraulic Cylinder Wholesale, Custom Hydraulic Cylinder Factory
Send Inquiry
Contact Info
Get customized quotes for transmission components, gearboxes, and machinery. Our engineers will respond within 24 hours.
Online
X
We use cookies to offer you a better browsing experience, analyze site traffic and personalize content. By using this site, you agree to our use of cookies. Privacy Policy
Reject Accept