

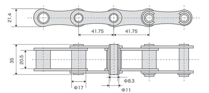
| ChainNo. | Ultimate tensilestrengthQ(min)KN |
| 260HPSS | 13 |





Contact us today to explore the benefits of our 260HPSS Stainless Steel Hollow Pin Chain and other high-quality stainless steel chains, and to place your order.Address
Luotuo Industrial Area, Zhenhai District, Ningbo City, China
Tel
