3V Series Cast Iron Ten-Groove Sheaves with Split Taper Bushings
3V series ten-groove taper bushed sheaves are manufactured for 3V, 3VX, banded 3V, and banded 3VX belts. They range from 4.75" to 33.50" in diameter. Depending on the sheave size, they are made to use a Q2, R1, or S1 split-taper bushing, which we also stock. Most of our ten-groove 3V split taper sheaves are manufactured from a high-strength grade 35 cast iron, are phosphate-coated, and are painted for anti-corrosion. All of them are balanced at the factory for smooth machinery operation.
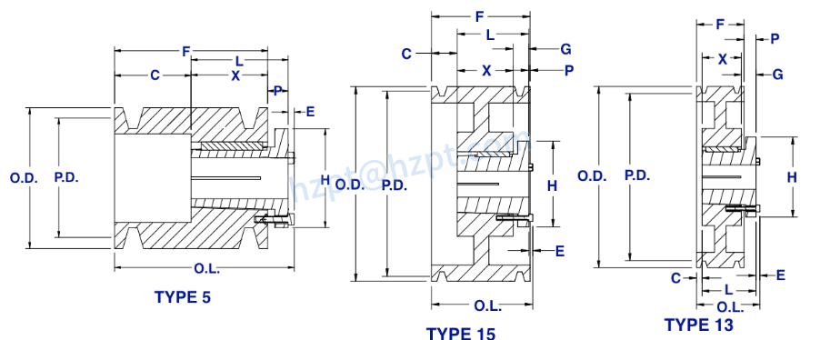
Size | Bushing Type | Pitch Diameter | Outside Diameter | Type | (O.L.) | (L) | (P) | (C) | (H) | (F) | (G) | (X) | (E) | Sheave Weight (LBS) |
|---|---|---|---|---|---|---|---|---|---|---|---|---|---|---|
| 10Q3V47 | Q2 | 4.70" | 4.75" | 5 | 5 3/8 | 3 1/2 | 3/4 | 1 19/32 | 4 1/8 | 4 11/32 | - | 2 3/4 | 9/32 | 8.4 |
| 10Q3V50 | Q2 | 4.95" | 5.00" | 5 | 5 3/8 | 3 1/2 | 3/4 | 1 19/32 | 4 1/8 | 4 11/32 | - | 2 3/4 | 9/32 | 9.9 |
| 10Q3V53 | Q2 | 5.25" | 5.30" | 5 | 5 3/8 | 3 1/2 | 3/4 | 1 19/32 | 4 1/8 | 4 11/32 | - | 2 3/4 | 9/32 | 11.4 |
| 10Q3V56 | Q2 | 5.55" | 5.60" | 13 | 4 5/8 | 3 1/2 | 0 | 27/32 | 4 1/8 | 4 11/32 | 3/4 | 2 3/4 | 9/32 | 13.8 |
| 10Q3V60 | Q2 | 5.95" | 6.00" | 13 | 4 5/8 | 3 1/2 | 0 | 27/32 | 4 1/8 | 4 11/32 | 3/4 | 2 3/4 | 9/32 | 16.5 |
| 10Q3V65 | Q2 | 6.45" | 6.50" | 15 | 4 37/64 | 3 1/2 | 3/64 | 51/64 | 4 1/8 | 4 11/32 | 3/4 | 2 3/4 | 9/32 | 20.4 |
| 10Q3V69 | Q2 | 6.85" | 6.90" | 15 | 4 37/64 | 3 1/2 | 3/64 | 51/64 | 4 1/8 | 4 11/32 | 3/4 | 2 3/4 | 9/32 | 23.4 |
| 10R3V80 | R1 | 7.95" | 8.00" | 15 | 4 11/32 | 2 7/8 | 19/64 | 1 11/64 | 5 3/8 | 4 11/32 | 7/8 | 2 | 9/32 | 26.0 |
| 10R3V106 | R1 | 10.55" | 10.60" | 15 | 4 11/32 | 2 7/8 | 19/64 | 1 11/64 | 5 3/8 | 4 11/32 | 7/8 | 2 | 9/32 | 28.4 |
| 10R3V140 | R1 | 13.95" | 14.00" | 15 | 4 11/32 | 2 7/8 | 19/64 | 1 11/64 | 5 3/8 | 4 11/32 | 7/8 | 2 | 9/32 | 42.3 |
| 10R3V190 | R2 | 18.95" | 19.00" | 15 | 4 11/32 | 2 7/8 | 19/64 | 1 11/64 | 5 3/8 | 4 11/32 | 7/8 | 2 | 9/32 | 54.0 |
| 10S3V250 | S1 | 24.95" | 25.00" | 13 | 5 17/64 | 4 3/8 | 35/64 | 33/64 | 6 3/8 | 4 11/32 | 1 1/16 | 3 5/16 | 3/8 | 130.0 |
| 10S3V335 | S1 | 33.45" | 33.50" | 13 | 5 17/64 | 4 3/8 | 35/64 | 33/64 | 6 3/8 | 4 11/32 | 1 1/16 | 3 5/16 | 3/8 | 138.0 |
![]() | ![]() |
![]() | ![]() |





Address
Luotuo Industrial Area, Zhenhai District, Ningbo City, China
Tel
