
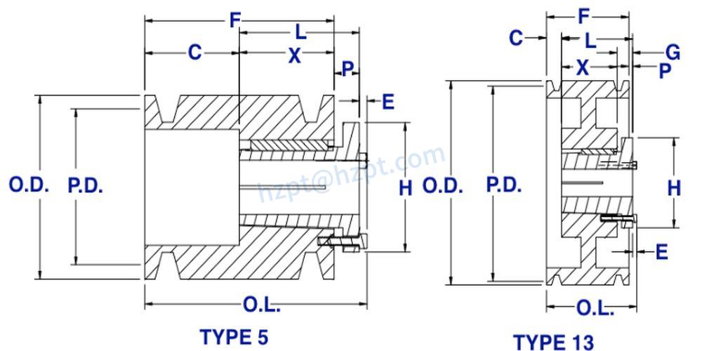
Size | Bushing Type | Pitch Diameter (4L/A) | Pitch Diameter (5L/B) | Outside Diameter | Type | (O.L.) | (L) | (P) | (C) | (H) | (F) | (G) | (X) | (E) | Pulley Weight (LBS) |
|---|---|---|---|---|---|---|---|---|---|---|---|---|---|---|---|
| 4B54Q | Q1 | 5.0" | 5.4" | 5.75" | 5 | 4-9/32" | 2-1/2" | 3/4" | 1-1/2" | 4-1/8" | 3-1/4" | -- | 1-3/4" | 9/32" | 9.3 |
| 4B56Q | Q1 | 5.2" | 5.6" | 5.95" | 5 | 4-9/32" | 2-1/2" | 3/4" | 1-1/2" | 4-1/8" | 3-1/4" | -- | 1-3/4" | 9/32" | 10.5 |
| 4B58Q | Q1 | 5.4" | 5.8" | 6.15" | 13 | 3-17/32" | 2-1/2" | 0 | 3/4" | 4-1/8" | 3-1/4" | 3/4" | 1-3/4" | 9/32" | 11.5 |
| 4B60Q | Q1 | 5.6" | 6.0" | 6.35" | 13 | 3-17/32" | 2-1/2" | 0 | 3/4" | 4-1/8" | 3-1/4" | 3/4" | 1-3/4" | 9/32" | 12.6 |
| 4B62Q | Q1 | 5.8" | 6.2" | 6.55" | 13 | 3-17/32" | 2-1/2" | 0 | 3/4" | 4-1/8" | 3-1/4" | 3/4" | 1-3/4" | 9/32" | 12.6 |
| 4B64Q | Q1 | 6.0" | 6.4" | 6.75" | 13 | 3-17/32" | 2-1/2" | 0 | 3/4" | 4-1/8" | 3-1/4" | 3/4" | 1-3/4" | 9/32" | 14.1 |
| 4B66Q | Q1 | 6.2" | 6.6" | 6.95" | 13 | 3-17/32" | 2-1/2" | 0 | 3/4" | 4-1/8" | 3-1/4" | 3/4" | 1-3/4" | 9/32" | 14.8 |
| 4B68Q | Q1 | 6.4" | 6.8" | 7.15" | 13 | 3-17/32" | 2-1/2" | 0 | 3/4" | 4-1/8" | 3-1/4" | 3/4" | 1-3/4" | 9/32" | 16.9 |
| 4B154R | R1 | 15.0" | 15.4" | 15.75" | 13 | 3-25/32" | 2-7/8" | 1/4" | 5/8" | 5-3/8" | 3-1/4" | 7/8" | 2" | 9/32" | 40.1 |
| 4B160R | R1 | 15.6" | 16.0" | 16.35" | 13 | 3-25/32" | 2-7/8" | 1/4" | 5/8" | 5-3/8" | 3-1/4" | 7/8" | 2" | 9/32" | 44.0 |
| 4B184R | R1 | 18.0" | 18.0" | 18.75" | 13 | 3-25/32" | 2-7/8" | 1/4" | 5/8" | 5-3/8" | 3-1/4" | 7/8" | 2" | 9/32" | 50.3 |
| 4B200R | R1 | 19.5" | 20.0" | 20.35" | 13 | 3-25/32" | 2-7/8" | 1/4" | 5/8" | 5-3/8" | 3-1/4" | 7/8" | 2" | 9/32" | 54.0 |
| 4B250R | R1 | 24.5" | 25.0" | 25.35" | 13 | 3-25/32" | 2-7/8" | 1/4" | 5/8" | 5-3/8" | 3-1/4" | 7/8" | 2" | 9/32" | 71.0 |
| 4B300R | R1 | 29.5" | 30.0" | 30.35" | 13 | 3-25/32" | 2-7/8" | 1/4" | 5/8" | 5-3/8" | 3-1/4" | 7/8" | 2" | 9/32" | 99.0 |
| 4B380R | R1 | 37.5" | 38.0" | 38.35" | 13 | 3-25/32" | 2-7/8" | 1/4" | 5/8" | 5-3/8" | 3-1/4" | 7/8" | 2" | 9/32" | 126.0 |

![]() | ![]() |
Compressors | Oil and Gas |
![]() | ![]() |
Marine | Electric Machinery |




Address
Luotuo Industrial Area, Zhenhai District, Ningbo City, China
Tel
