
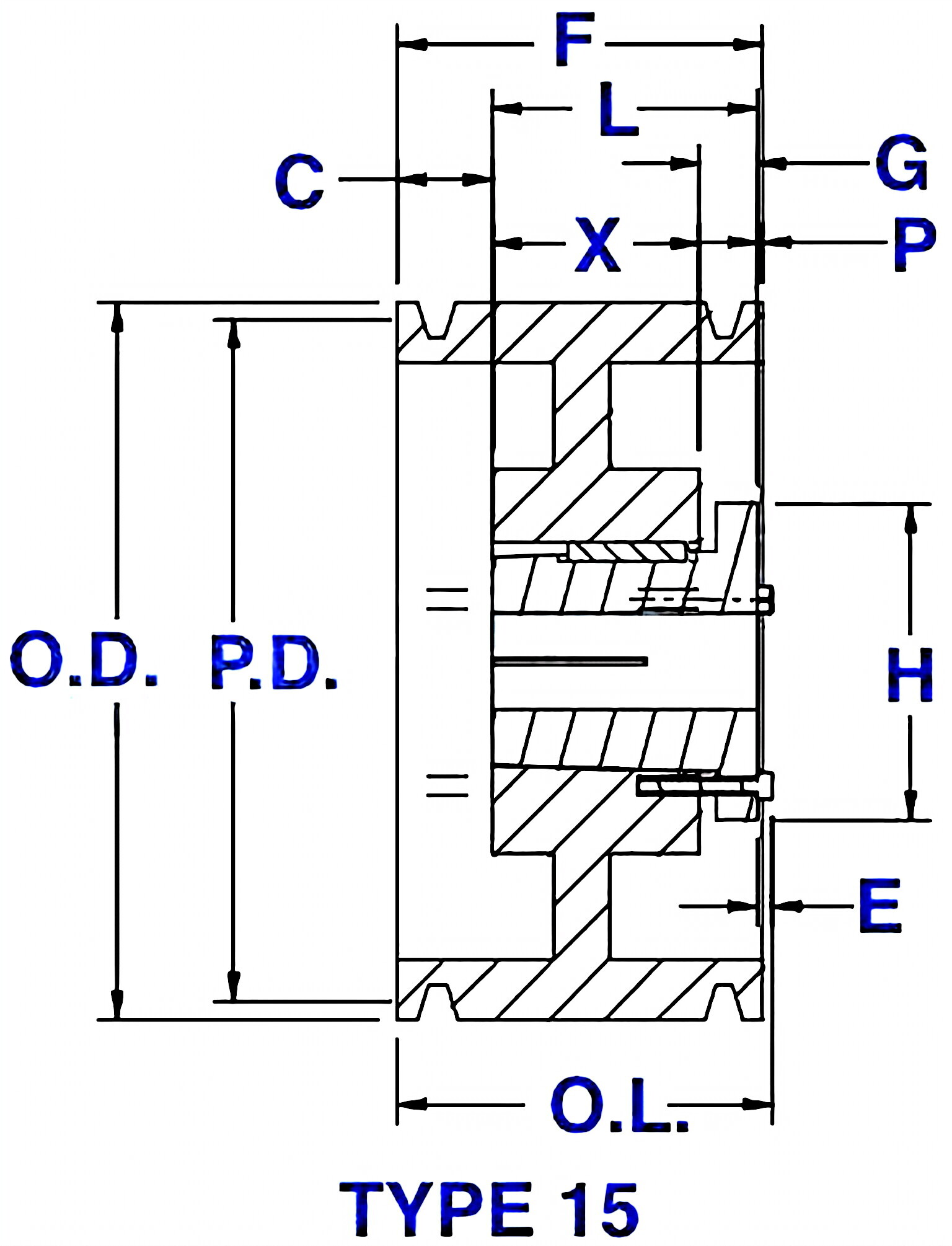
Size | Bushing Type | Pitch Diameter (4L/A) | Pitch Diameter (5L/B) | Outside Diameter | Type | (O.L.) | (L) | (P) | (C) | (H) | (F) | (G) | (X) | (E) | Pulley Weight (LBS) |
|---|---|---|---|---|---|---|---|---|---|---|---|---|---|---|---|
| 5B70R | R1 | 6.6" | 7.0" | 7.35" | 15 | 4-5/32" | 2-7/8" | 1/8" | 1" | 5-3/8" | 4" | 7/8" | 2" | 9/32" | 17.0 |
| 5B74R | R1 | 7.0" | 7.4" | 7.75" | 15 | 4-5/32" | 2-7/8" | 1/8" | 1" | 5-3/8" | 4" | 7/8" | 2" | 9/32" | 20.3 |
| 5B80R | R1 | 7.6" | 8.0" | 8.35" | 15 | 4-5/32" | 2-7/8" | 1/8" | 1" | 5-3/8" | 4" | 7/8" | 2" | 9/32" | 24.8 |
| 5B86R | R1 | 8.2" | 8.6" | 8.95" | 15 | 4-5/32" | 2-7/8" | 1/8" | 1" | 5-3/8" | 4" | 7/8" | 2" | 9/32" | 27.3 |
| 5B90R | R1 | 8.6" | 9.0" | 9.35" | 15 | 4-5/32" | 2-7/8" | 1/8" | 1" | 5-3/8" | 4" | 7/8" | 2" | 9/32" | 29.1 |
| 5B94R | R1 | 9.0" | 9.4" | 9.75" | 15 | 4-5/32" | 2-7/8" | 1/8" | 1" | 5-3/8" | 4" | 7/8" | 2" | 9/32" | 30.0 |
| 5B110R | R1 | 10.6" | 11.0" | 11.35" | 15 | 4-5/32" | 2-7/8" | 1/8" | 1" | 5-3/8" | 4" | 7/8" | 2" | 9/32" | 32.8 |
| 5B124R | R1 | 12.0" | 12.4" | 12.75" | 15 | 4-5/32" | 2-7/8" | 1/8" | 1" | 5-3/8" | 4" | 7/8" | 2" | 9/32" | 36.0 |
| 5B136R | R1 | 13.2" | 13.6" | 13.95" | 15 | 4-5/32" | 2-7/8" | 1/8" | 1" | 5-3/8" | 4" | 7/8" | 2" | 9/32" | 40.3 |
| 5B154R | R1 | 15.0" | 15.4" | 15.75" | 15 | 4-5/32" | 2-7/8" | 1/8" | 1" | 5-3/8" | 4" | 7/8" | 2" | 9/32" | 45.0 |
| 5B160R | R1 | 15.6" | 16.0" | 16.35" | 15 | 4-5/32" | 2-7/8" | 1/8" | 1" | 5-3/8" | 4" | 7/8" | 2" | 9/32" | 48.0 |
| 5B184R | R1 | 18.0" | 18.4" | 18.75" | 15 | 4-5/32" | 2-7/8" | 1/8" | 1" | 5-3/8" | 4" | 7/8" | 2" | 9/32" | 54.0 |
| 5B200R | R1 | 19.5" | 20.0" | 20.35" | 15 | 4-5/32" | 2-7/8" | 1/8" | 1" | 5-3/8" | 4" | 7/8" | 2" | 9/32" | 64.0 |
| 5B250R | R1 | 24.5" | 25.0" | 25.35" | 15 | 4-5/32" | 2-7/8" | 1/8" | 1" | 5-3/8" | 4" | 7/8" | 2" | 9/32" | 79.0 |
| 5B300R | R1 | 29.5" | 30.0" | 30.35" | 15 | 4-5/32" | 2-7/8" | 1/8" | 1" | 5-3/8" | 4" | 7/8" | 2" | 9/32" | 115.0 |
| 5B380R | R1 | 37.5" | 38.0" | 38.35" | 15 | 4-5/32" | 2-7/8" | 1/8" | 1" | 5-3/8" | 4" | 7/8" | 2" | 9/32" | 150.0 |
| V-Belt Pulley Type | Light Duty Bored to size Pulleys (AK, BK,2AK,2BK,3BK series) |
| Light Duty Taper Bore Pulleys (AK-H, BK-H,2AK-H,2BK-H series) | |
| Split taper bushed Pulleys (1TB,2TB,3TB series) | |
| Heavy Duty QD Pulleys (1B,2B,3B,1C,2C,3C,4C,5C series etc) | |
| Light Duty Variable Speed Pulleys (1VP,2VP,1VL,1VM series) | |
| QD taper bore sheaves Pulleys (3V,5V,8V series) | |
| Single Groove Pulleys (OK, OL, AL series) | |
| According to customers' requirements or drawings | |
| Materials | Cast iron, steel, aluminum, alloy, etc. |
| Surface treatment | powder coating, zinc plating, black oxide, etc |
| Standard | ANSI.API.BS.DIN.JIS.GB.etc. |
| Machine Equipment | CNC center, CNC milling machine, CNC turning machine, CNC drilling |
| machine, CNC lathes, lathes, 4-axis machines, etc. | |
| Application field | Equipment accessories, Airplane, Ship, Bicycle, Motorcycle, Auto, Medical, Chemical, Wheel, Sports, Anchor, Weapon, etc. |
| Certification | ISO9001:2015 |
| Warranty | One year after shipment |
| QC | 1. Materials are to be checked carefully before production. |
| 2. Strict processing quality control | |
| 3.100% inspection before shipment. | |
| Inspection Equipment | CMM, Projection, Calipers, Micro caliper, Thread Micro caliper; Automatic Two / Three Coordinate Measuring Instrument, etc.; Third party inspection available upon customer's requirements |




Address
Luotuo Industrial Area, Zhenhai District, Ningbo City, China
Tel
