Raydafon Technology Group Co.,Limited
Raydafon Technology Group Co.,Limited
Products
Products
714S3 Slewing Drive Planetary Gearbox
  • 714S3 Slewing Drive Planetary Gearbox714S3 Slewing Drive Planetary Gearbox

714S3 Slewing Drive Planetary Gearbox

Discover the Raydafon Group's 714S3 Slewing Drive Planetary Gearbox for smooth, high-torque rotation in industrial applications. Made with premium materials and advanced planetary gear technology, it ensures durability and reduced maintenance. Ideal for manufacturers in construction, renewable energy, and robotics, it delivers reliability and efficiency under heavy loads. Experience enhanced operational performance and solve precision control challenges. Its compact, high-efficiency design outperforms competitors, offering superior torque density. Contact Raydafon Group today for your robust gearbox solution.
 

714S3 Slewing Drive Planetary Gearbox

Product Overview

The 714S3 Slewing Drive Planetary Gearbox is a high-quality and innovative product designed for various applications. This gearbox offers exceptional performance and reliability in a compact design, making it suitable for a wide range of industries.714S3 Slewing Drive Planetary Gearbox

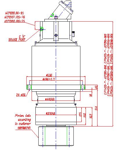
Technical specification

Type

Max.Output Torque

Ratio

RecommendHydraulicMotor

Max. inputspeed

Braketorque

Brake workpressure

Excavator

Crane

(i)

(rpm)

(N.m)

(bar)

EP714S3

45000

68300

63, 78.484.3, 100.8128.9, 159186.7

A2FE 80·90A2FE107·125A2FE160·180

3000

600-1100

20-50

  1. Input – output rotate same direction.
  2. Other ratio and other input type can be specially designed.

Model Naming and Positioning

The model naming of the 714S3 Slewing Drive Planetary Gearbox follows a systematic approach that reflects its specifications and capabilities. It is positioned as a versatile and efficient solution for demanding applications.

Product Design and Structural Features

The 714S3 Slewing Drive Planetary Gearbox incorporates advanced engineering principles and materials to ensure durability and optimal performance. Its design features include a precision planetary gear system, robust bearing system, effective sealing technology, and efficient lubrication system.

Core Technologies and Materials

Planetary Gear Design

The 714S3 Slewing Drive Planetary Gearbox utilizes a well-engineered planetary gear system that offers high torque transmission, smooth operation, and enhanced efficiency.

Bearing System

With a reliable and robust bearing system, the 714S3 Slewing Drive Planetary Gearbox ensures excellent load-bearing capacity, minimal friction, and extended service life.

Sealing Technology

The advanced sealing technology employed in the 714S3 Slewing Drive Planetary Gearbox provides effective protection against dust, moisture, and other contaminants, ensuring reliable performance even in harsh environments.

Lubrication System

The optimized lubrication system of the 714S3 Slewing Drive Planetary Gearbox ensures proper lubrication to minimize friction and wear, resulting in smooth operation and prolonged component lifespan.

Performance Advantages

High Torque Density

The 714S3 Slewing Drive Planetary Gearbox offers exceptional torque density, allowing for compact and space-saving installations without compromising on performance.

Low Noise and Vibration

Through precise engineering and high-quality construction, the 714S3 Slewing Drive Planetary Gearbox operates quietly and minimizes vibration, ensuring a comfortable and efficient working environment.

Environmental Adaptability

The 714S3 Slewing Drive Planetary Gearbox is designed to withstand challenging environmental conditions, including extreme temperatures, humidity, and corrosive elements, making it suitable for various industries and applications.

Intelligent Monitoring

Equipped with advanced monitoring systems, the 714S3 Slewing Drive Planetary Gearbox allows for real-time performance analysis and proactive maintenance, optimizing operational efficiency and reducing downtime.

Applications

Construction Machinery

The 714S3 Slewing Drive Planetary Gearbox finds extensive use in construction machinery such as tower cranes, excavators, and port machinery. Its robust design and reliable performance make it an ideal choice for demanding construction applications.

Solar Tracking Systems

With its precise control and high torque density, the 714S3 Slewing Drive Planetary Gearbox is suitable for solar tracking systems, ensuring efficient and accurate movement to maximize solar energy capture.

Marine Engineering Equipment

The 714S3 Slewing Drive Planetary Gearbox is utilized in marine engineering equipment, providing reliable rotation and positioning for offshore structures, cranes, and other marine applications.

Military Equipment

Due to its durability, versatility, and high performance, the 714S3 Slewing Drive Planetary Gearbox is employed in military equipment for various applications, including armored vehicles, radar systems, and weapon platforms.With our dedication to excellence and expertise in the field, we are committed to delivering high-quality products and exceptional customer service. Our company strives to establish long-term partnerships by offering innovative solutions, reliable performance, and responsive support to meet the unique needs of our clients.Author: Miya 
Hot Tags: Slewing Drive Gearbox, Planetary Gearbox Wholesale, Custom Planetary Gearbox
Send Inquiry
Contact Info
Get customized quotes for transmission components, gearboxes, and machinery. Our engineers will respond within 24 hours.
Online
X
We use cookies to offer you a better browsing experience, analyze site traffic and personalize content. By using this site, you agree to our use of cookies. Privacy Policy
Reject Accept