Agricultural Sprayer Gearbox - Replacement of Comer Code D-7A/D-7B
An agricultural sprayer gearbox is a critical component of a sprayer system, which is used to spray chemicals, pesticides, herbicides, and other agricultural products onto crops. The gearbox is responsible for controlling the speed and power of the sprayer's pump, which determines the amount and distribution of the product being sprayed.The Agricultural Sprayer Gearbox D-7A/D-7B is designed to be compatible with a wide range of agricultural sprayers. It can be integrated into various sprayer configurations, including tow-behind sprayers, mounted sprayers, or self-propelled sprayers. Its versatility allows farmers to adapt the gearbox to different spraying equipment, enhancing its usability across different farming operations.

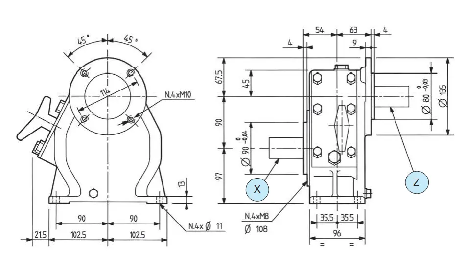
| i | N1[rpm] | P1[kW] | M2[Nm] | Shaft Type | Input | |
X![]() | Z![]() | |||||
| 5.82 | 540 | 16.2 | 48 | 1'' 3/8 Z6 | 35 | X |
| 4.36 | 540 | 21.3 | 84 | 1'' 3/8 Z6 | X | |
| 4.00 | 540 | 21.7 | 93 | 1'' 3/8 Z6 | X | |

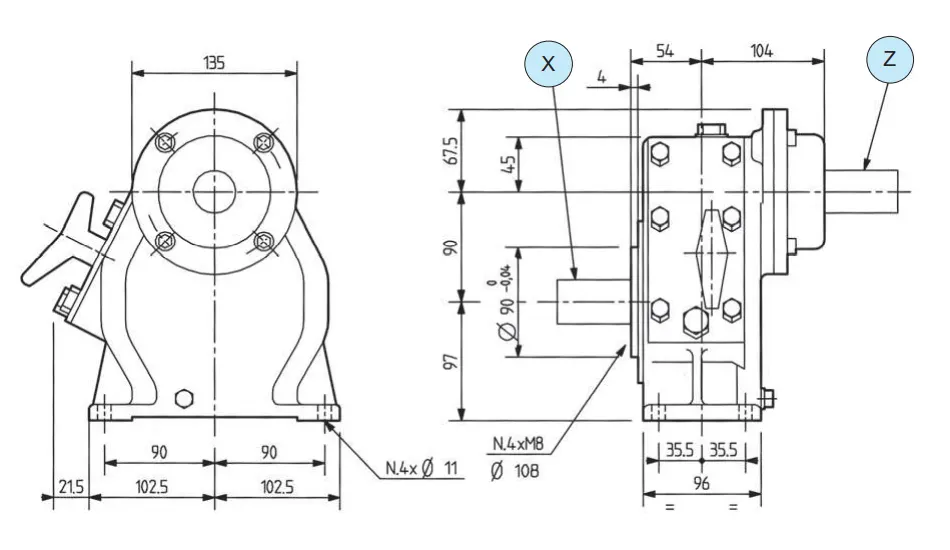
| i | N1[rpm] | P1[kW] | M2[Nm] | Shaft Type | Input | |
X![]() | Z![]() | |||||
| 5.25 | 540 | 20.6 | 67 | 1'' 3/8 Z6 | X | |
| 4.36 | 540 | 21.3 | 83 | 1'' 3/8 Z6 | X | |
| 4.00 | 540 | 21.7 | 95 | 1'' 3/8 Z6 | 40 | X |






Hzpt is an enterprise specializing in manufacturing all kinds of gearboxes, worm gearboxes, chains, and cylinders. We have more than 15 years of experience in this industry. We have our own design department and testing laboratory. We can produce high-quality products according to your requirements or samples. According to your request, we can accept large orders.
Address
Luotuo Industrial Area, Zhenhai District, Ningbo City, China
Tel
