Raydafon Technology Group Co.,Limited
Raydafon Technology Group Co.,Limited
Products
Products
Gearbox for Agricultural Machinery 600 Series

Gearbox for Agricultural Machinery 600 Series

Discover Raydafon Group's Gearbox for Agricultural Machinery 600 Series, a durable and efficient transmission solution designed for farmers and agricultural professionals to enhance machinery performance in demanding fields. Its advanced engineering, robust materials, and smooth operation ensure reliability, boosting productivity and reducing downtime—experience the superior difference that makes every task seamless and rewarding.

Gearbox for Agricultural Machinery 600 Series

Gearbox for Agricultural Machinery 600 Series

Features:

  • Two-piece aluminum housing for high strength, corrosion resistance, and thermal capacity
  • Precision machined for exact gear mesh and bearing preload
  • Precision forged gears are offered in six ratios: 1:1, 1.18:1, 1.35:1, 1.5:1, 1.86:1 and 2:1
  • Tapered roller bearings provide increased load capacity and bearing life
  • 1.75" shaft made of high strength steel standard
  • Filled with 80W90 gear lubricant and leak tested before shipment
  • The 600 Series weighs 60/70 lbs. including oil
  • Contact Raydafon Gearbox for your special requirements

RATING CHART

Gearbox for Agricultural Machinery 600 Series

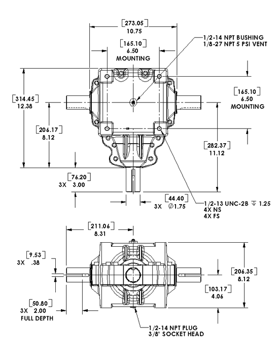
DRAWING FOR 600 SERIES

Gearbox for Agricultural Machinery 600 SeriesSHAFT ROTATION ALIGNMENT FOR 600 SERIESGearbox for Agricultural Machinery 600 Series
Hot Tags: Agricultural Machinery Gearbox Supplier, 600 Series Gearbox Manufacturer, Custom Gearbox for Farm Equipment
Send Inquiry
Contact Info
Get customized quotes for transmission components, gearboxes, and machinery. Our engineers will respond within 24 hours.
Online
X
We use cookies to offer you a better browsing experience, analyze site traffic and personalize content. By using this site, you agree to our use of cookies. Privacy Policy
Reject Accept