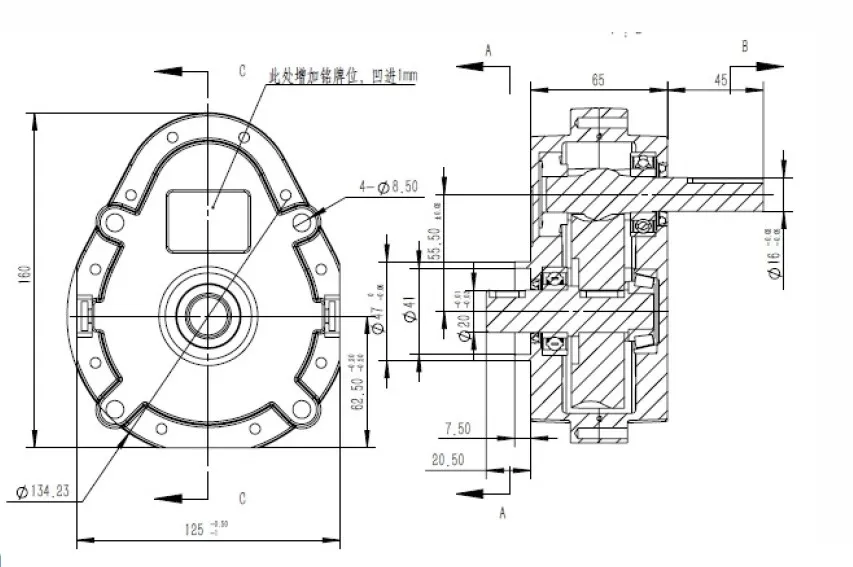
BGV055 Series Helical Gear Reducer for Ice Cream Machines
The BGV055 series helical gear reducer is used in ice cream machines. It mainly comprises helical gears with higher transmission efficiency, small size, simple structure, stable quality, reliability, and durability.The BGV055 series helical gear reducer is a specialized solution for ice cream machines. This high-performance gear reducer offers exceptional reliability, efficiency, and precision, making it ideal for ice cream production applications. With its robust construction, efficient power transmission, and customizable gear ratio, the BGV055 series ensures smooth and consistent operation, allowing ice cream machine operators to achieve optimal results.





Address
Luotuo Industrial Area, Zhenhai District, Ningbo City, China
Tel
