![]() | ![]() |
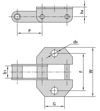
| Chain No. | P | b1 | G | F | W | h4 | d4 |
| mm | mm | mm | mm | mm | mm | mm | |
| 38.4RK1 | 38.4 | 19.05 | 29.1 | 58.0 | 76.5 | 15.1 | 10.5 |
| 38.4VK1F1 | 38.4 | 18.00 | 29.1 | 57.0 | 75.0 | 15.1 | 8.5 |
| 38.4VBK1 | 38.4 | 19.05 | 29.0 | 58.0 | 87.0 | 14.0 | 10.5 |
| 38.4VBF3 | 38.4 | 19.05 | 40.0 | 57.0 | 86.0 | 16.0 | 10.3 |
| 38.4VK1F2 | 38.4 | 18.00 | 29.1 | 57.0 | 75.0 | 15.1 | 10.5 |
| 38.4VK1F3 | 38.4 | 18.00 | 29.1 | 57.0 | 75.0 | 15.1 | 9.0 |
| CA550HK1 | 41.4 | 20.00 | 22.6 | 54.0 | 71.5 | 12.7 | 8.5 |
| CA550VK18 | 41.4 | 19.05 | 22.6 | 54.0 | 71.6 | 12.7 | 8.5 |
| CA550K18 | 41.4 | 19.81 | 22.6 | 54.0 | 71.6 | 12.7 | 8.5 |
| 38.4RK1F6 | 38.4 | 19.05 | 40.0 | 57.0 | 84.0 | 16.5 | 10.3 |
| 38.4VK1F10 | 38.4 | 18.00 | 39.0 | 58.4 | 82.4 | 14.5 | 10.5 |
| 38.4VBK1F3 | 38.4 | 19.05 | 39.0 | 57.0 | 80.0 | 16.0 | 10.5 |
| 38.4VK1F11 | 38.4 | 18.00 | 35.0 | 57.0 | 76.1 | 16.0 | 9.0 |
| 38.4RF7K1 | 38.4 | 19.05 | 30.0 | 59.7 | 78.5 | 11.4 | 8.3 |
| CA550HF7K1 | 41.4 | 20.00 | 22.6 | 56.7 | 74.3 | 13.2 | 8.5 |
Sprockets fit our entire conveyor chain range.The drive chain and the conveying chain are driven by sprockets. The uniform distribution of power depends on the precise transmission between the sprocket teeth and the chain rollers or bushes.Because sprockets significantly impact the chain's life, all challenging sprockets (from casting to precision mechanical cutting) are manufactured according to strict tolerances and quality control. We also recommend that all customers replace the sprocket when replacing the chain to maximize the chain life.
Address
Luotuo Industrial Area, Zhenhai District, Ningbo City, China
Tel
