![]() | ![]() |
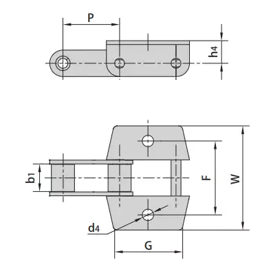
| Chain No. | P | b1 | G | F | W | h4 | d4 |
| mm | mm | mm | mm | mm | mm | mm | |
| CA550K1F4 | 41.40 | 19.81 | 48.5 | 54.0 | 76.20 | 16.5 | 8.5 |
| CA550VK1F3 | 41.40 | 19.05 | 56.0 | 54.0 | 75.54 | 16.5 | 8.5 |
| CA550K1F6 | 41.40 | 19.81 | 48.5 | 54.0 | 76.20 | 16.5 | 10.5 |
| CA550K18 | 41.40 | 19.81 | 22.6 | 54.0 | 71.60 | 12.7 | 8.5 |
| CA620A1F1 | 42.01 | 24.51 | 63.5 | 67.7 | 91.70 | 16.1 | 10.5 |
| 38.4VK1F8 | 38.40 | 18.00 | 40.0 | 57.0 | 86.00 | 16.0 | 10.5 |
| 38.4VBF5 | 38.40 | 19.05 | 40.0 | 57.0 | 86.00 | 14.0 | 10.5 |
| 38.4VBF6 | 38.40 | 19.05 | 20.0 | 57.0 | 75.00 | 16.0 | 8.6 |
| 38.4VBF7 | 38.40 | 19.05 | 40.0 | 58.5 | 86.60 | 14.0 | 10.5 |
| CA620WK1F1 | 42.01 | 24.51 | 62.2 | 69.0 | 90.80 | 16.2 | 10.3 |
Raydafon is a professional OEM supplier, providing a full range of chains, sprockets, couplings, timing pulleys, V pulleys, shafts, gears, racks, and other transmission spare parts.Due to our sincerity in dealing with customers, our understanding of customer needs, and our overriding sense of responsibility to meet order requirements, we have won the trust of global buyers. We have accumulated valuable experience cooperating with foreign customers, and our products are sold well in the United States, Europe, South America, and Asian markets. Our products are manufactured with modern computerized machinery and equipment. At the same time, these products are manufactured according to high-quality standards and meet advanced international standards.With years of experience in this field, we will rely on our advantages in competitive price, on-time delivery, timely response, on-site engineering support, and good after-sales service. In addition, all our production procedures are in compliance with the ISO9002 standard. We can also design and manufacture non-standard products to meet customers' unique requirements. Quality and reputation are the foundation of enterprise survival. We will wholeheartedly provide the best service and quality products. If you need any information or samples, please contact us, and we will reply to you as soon as possible. Looking forward to long-term cooperation with you!
Sprockets fit our entire conveyor chain range.The drive chain and the conveying chain are driven by sprockets. The uniform distribution of power depends on the precise transmission between the sprocket teeth and the chain rollers or bushes.Because sprockets significantly impact the chain's life, all challenging sprockets (from casting to precision mechanical cutting) are manufactured according to strict tolerances and quality control. We also recommend that all customers replace the sprocket when replacing the chain to maximize the chain life.
Address
Luotuo Industrial Area, Zhenhai District, Ningbo City, China
Tel
