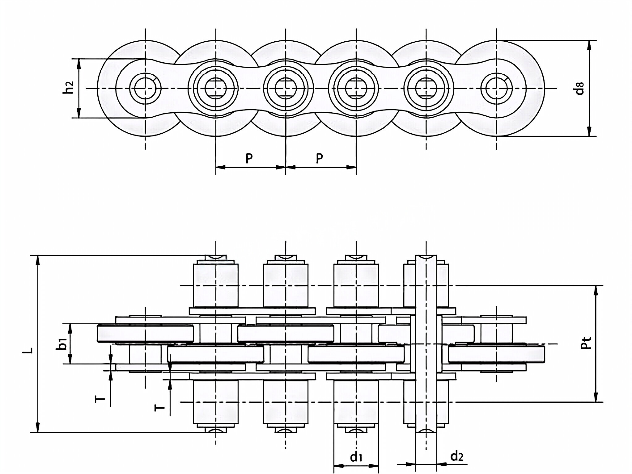
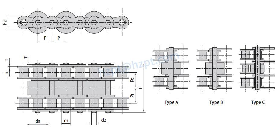
Conveyor Chains with Special Rollers
Conveyor Chains with special rollers are used in a variety of applications. They are available in staggered or parallel configurations and can accommodate a variety of loads. These chains also allow for high-precision positioning. Some chains also have plastic wear strips for added protection.These chains are ideal for industrial and heavy-duty conveying applications. They can move industrial pieces such as car parts, which human workers would otherwise find impossible to move by hand. They are also ideal for use in harsh environments, where products may be sharp or abrasive.Special rollers can be used to help prevent the accumulation of dust, debris, or other materials. These conveyor chains can be used for lumber conveyors, car parking applications, heat treatment, and even the forest industry. In addition, they have corrosion and chemical resistance features and can accommodate a wide range of materials.Conveyor Chains with Special Roller Systems are an ideal choice when precision is important. These systems can be adjusted to accommodate a variety of product sizes and shapes. Conveyor chains with special rollers are available in plastic or steel. In addition to these options, the chains are available with different pitch levels.





Address
Luotuo Industrial Area, Zhenhai District, Ningbo City, China
Tel
