

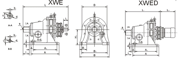
Appearance and installation dimension
(mm)Frame | Centerheight | Installation dimension | Shaft end dimension | ||||||||||||||
A1 | A0 | B1 | B0 | h | s | Hole | Output shaft | Input shaft | |||||||||
n | d0 | d1 | b1 | c1 | l1 | d2 | b2 | c2 | l2 | ||||||||
31 | 140 | 96 | 100 | 55 | 250 | 20 | M8 | 4 | 16 | 35 | 10 | 38 | 55 | 15 | 5 | 17 | 25 |
42 | 150 | 95 | 145 | 65 | 290 | 22 | M10 | 45 | 14 | 48.5 | 74 | ||||||
53 | 160 | 115 | 150 | 75 | 370 | 25 | M12 | 55 | 16 | 59 | 91 | 18 | 6 | 20.5 | 35 | ||
63 | 200 | 36 | 275 | 380 | 30 | 22 | 65 | 18 | 69 | 89 | |||||||
74 | 220 | 320 | 85 | 420 | 80 | 22 | 85 | 109 | 22 | 24.5 | 40 | ||||||
84 | 250 | 35 | 380 | 120 | 480 | 35 | M16 | 90 | 25 | 95 | 120 | ||||||
85 | 30 | 8 | 33 | 45 | |||||||||||||
95 | 290 | 45 | 480 | 560 | 40 | M20 | 26 | 100 | 28 | 106 | 141 | ||||||
106 | 325 | 80 | 500 | 630 | 45 | 30 | 110 | 116 | 150 | 35 | 10 | 38 | 54 | ||||
116 | 420 | 122 | 330×2 | 160 | 800 | 50 | 2-M20 | 32 | 130 | 32 | 137 | 202 | |||||
117 | 6 | 40 | 12 | 43 | 65 | ||||||||||||
(mm)
Frame | Outer side dimension | Weightkg | ||||||
A | B | H | D | Double Shaft style | Flange style | |||
L | L1 | L2 | ||||||
31 | 150 | 290 | 240 | 200 | 310 | 258 | Accordingto motor size | 37 |
42 | 195 | 330 | 275 | 240 | 384 | 326 | 75 | |
53 | 260 | 420 | 356 | 300 | 457 | 383 | 94 | |
63 | 335 | 430 | 425 | 340 | 519 | 447 | 148 | |
74 | 380 | 470 | 460 | 360 | 589 | 508 | 193 | |
84 | 440 | 530 | 529 | 430 | 633 | 552 | 270 | |
85 | 656 | 566 | 310 | |||||
95 | 560 | 620 | 614 | 500 | 745 | 655 | 485 | |
106 | 600 | 690 | 709 | 580 | 855 | 750 | 650 | |
116 | 810 | 880 | 883 | 710 | 1066 | 958 | 1232 | |
117 | 1081 | 963 | 1280 | |||||
Note:Matching tolerance of shaft d1/d2 is h6
Address
Luotuo Industrial Area, Zhenhai District, Ningbo City, China
Tel
