

EWDKO | Shaft Direction |
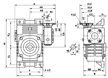
SIZE | KW | RATIO | A | AA | AB | F | N | B | CC | BB | BC | BE | CA | E1 | E2 | M | G | Z | FLANGE | INPUT HOLE | OUTPUT SHAFT | ||||||||
LA | LB | LC | LE | LG | LZ | Q | U | T×V | S | W×Y | |||||||||||||||||||
50-80 | 0.18 | 1/2001/3001/4001/5001/6001/8001/900 | 314 | 209 | 139 | 140 | 174 | 144 | 50 | 72 | 70 | 84 | 164 | 140 | 180 | 350 | 20 | 15 | 115 | 95 | 140 | 5 | 10 | M8 | 25 | 11 | 4×12.8 | 35 | 10×38.3 |
60-100 | 0.37 | 363 | 241 | 161 | 190 | 224 | 175 | 60 | 87.5 | 90 | 92 | 192 | 165 | 215 | 410 | 20 | 15 | 130 | 110 | 160 | 5 | 12 | M8 | 35 | 14 | 5×16.3 | 40 | 12×43.3 | |
70-120 | 0.37 | 429 | 275 | 195 | 220 | 264 | 200 | 70 | 100 | 100 | 110 | 230 | 195 | 255 | 495 | 25 | 18 | 130 | 110 | 160 | 5 | 12 | M8 | 35 | 14 | 5×16.3 | 45 | 14×48.8 | |
0.75 | 449 | 295 | 165 | 130 | 200 | 15 | M10 | 45 | 19 | 6×21.8 | |||||||||||||||||||
80-135 | 0.75 | 505 | 330 | 230 | 260 | 304 | 212 | 80 | 106 | 110 | 128 | 263 | 230 | 285 | 560 | 30 | 18 | 165 | 130 | 200 | 5 | 15 | M10 | 45 | 19 | 6×21.8 | 60 | 18×64.4 | |
1.5 | 55 | 24 | 8×27.3 | ||||||||||||||||||||||||||
100-155 | 1.5 | 565 | 365 | 265 | 280 | 330 | 312 | 100 | 156 | 140 | 145 | 300 | 250 | 305 | 605 | 35 | 20 | 165 | 130 | 200 | 5 | 15 | M10 | 55 | 24 | 8×27.3 | 70 | 20×74.9 | |
120-175 | 2.2 | 635 | 415 | 290 | 320 | 370 | 334 | 120 | 167 | 150 | 182 | 357 | 273 | 348 | 675 | 40 | 20 | 215 | 180 | 250 | 5 | 18 | M12 | 65 | 28 | 8×31.3 | 80 | 22×85.4 | |
Address
Luotuo Industrial Area, Zhenhai District, Ningbo City, China
Tel
