Fertilizer Seeder Gearbox EP35 for Fertilizer Broadcaster
The Fertilizer Seeder Gearbox EP35 is a specialized gearbox designed for use in fertilizer broadcasters or spreaders. These machines are commonly used in agriculture to evenly distribute fertilizers, seeds, or other granular materials over a field. The gearbox plays a crucial role in powering and controlling the rotation of the spreading mechanism, ensuring proper and consistent distribution of the materials.The primary function of the Fertilizer Seeder Gearbox EP35 is to transmit power from the power source, such as a tractor's PTO shaft, to the spreading mechanism of the fertilizer broadcaster. It converts the rotational motion from the power source into the necessary speed and torque required to rotate the spreading discs or agitators. The gearbox receives power from the tractor's PTO shaft and transfers it to the spreading mechanism through a system of gears. It ensures the efficient transfer of power while allowing for speed adjustments and control over the spreading operation.The Fertilizer Seeder Gearbox EP35 typically offers adjustable speed settings, allowing operators to control the rate at which the fertilizer or seed is spread. This adjustability enables customization based on the desired application rate, field conditions, or crop requirements. The gearbox is designed to withstand the demanding conditions of fertilizer spreading operations. It is built using durable materials and undergoes rigorous testing to ensure reliability and longevity. This robust construction helps minimize downtime and maintenance requirements.

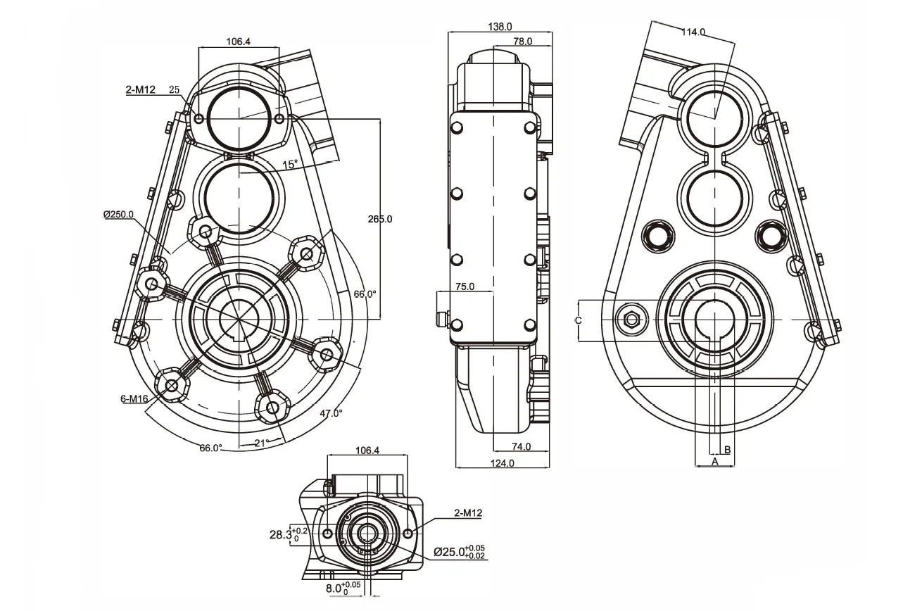
| i | Suitable | Rpm input | Rpm output | Output torque | Weight | Toothing | |
| r/min | r/min | N.m | kg | ||||
| Decelerate | 24.3:1 | Fertilizer broadcaster, etc | 1000 | 41 | 3500 | 47 | Gleason HelicalTeeth |
| Remark: If you have any special require feel free let me know, we also accept custom. | |||||||
| A | B | C |
| Φ45 | 14 | 48.8 |
| Φ50 | 14 | 53.8 |
| Φ60 | 18 | 64.4 |




![]() | ![]() |
![]() | ![]() |
Address
Luotuo Industrial Area, Zhenhai District, Ningbo City, China
Tel
