Fertilizer Spreader Gearbox – Replacement of Comer Code L-150J
A fertilizer spreader gearbox is a mechanical device that helps to distribute fertilizer or other granular materials evenly across a field or garden. The gearbox is typically located on the underside of the spreader and is connected to the wheels or impellers that distribute the fertilizer.The gearbox is designed to help regulate the flow of fertilizer from the hopper to the distribution mechanism. It typically includes a series of gears that help to control the speed and direction of the output shaft. The gearbox also helps to protect the distribution mechanism from damage by reducing the torque and stress on the system.When selecting a fertilizer spreader gearbox, it is important to consider the size and capacity of the spreader, as well as the type of fertilizer or material being distributed. It is also important to choose a gearbox that is durable and easy to maintain, as it will be subject to significant wear and tear over time.

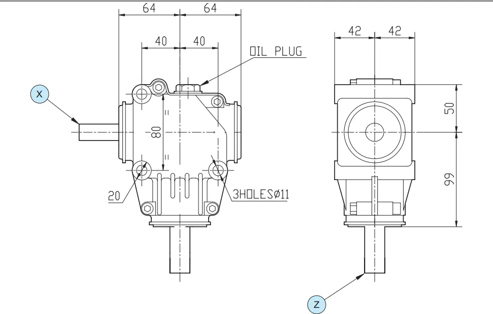
| N1[rpm] | P1[kW] | M2[Nm] | Shaft Type | Input | |
| X | Z | ||||
| 540 | 8.0 | 137 | Φ25 | 1'' 3/8 Z6 | Z |
| 540 | 8.0 | 137 | Φ25 | Φ25 | Z |
| 540 | 8.0 | 137 | Φ3/4'' | Φ3/4'' | Z |
Address
Luotuo Industrial Area, Zhenhai District, Ningbo City, China
Tel
