
| Type | Ratio | Power |
| FGV035 | 5 7.5 10 15 20 25 30 40 50 60 80 100 | 0.06KW 0.09KW 0.12KW 0.18KW 0.20KW 0.25KW 0.37KW 0.55KW |
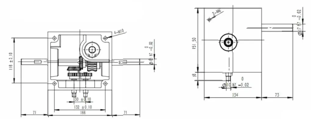
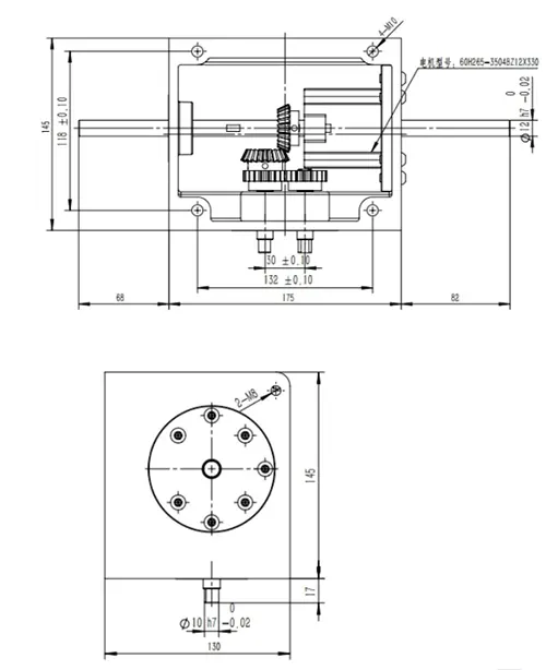
Our FGV035 Worm Reducers are specifically designed for use in the textile and chemical industries. The compact and efficient design coupled with its high torque and overload capacity make it ideal for heavy-duty applications in these industries. The worm gear reducer provides stable operation, ensuring precision and reliability in operations. The stepper motor drive reducer offers precise control, quick start and stop, and high reliability, making it a preferred choice for automated systems.


Address
Luotuo Industrial Area, Zhenhai District, Ningbo City, China
Tel
