GJZ Convex Type Linear Motion Spline Series


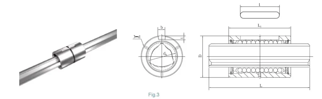
After the finished process, the radius of roller track slots is nearly the R-value of balls. When torsion force is pressed between the spline nut and the shaft, three torsion-oriented loading ball lines transform the force steadily and equally. When the orientation reverses, three other rows work. If a relative motion occurs between the shaft and the spline nut, balls will move back and forth between roller tracks and unload zone.The spline shaft is made of high-grade alloy steel quenching HRC 58, and the spline nut is made of high-grade alloy cementite steel quenching HRC 58, so long service life and hard intensity can be obtained.Clearance of rotating direction can be controlled to zero value or interfere state, high-speed motion, and spinning can be available; in addition, linear motion spline with compact structure is easy to assemble.





Mounting of Spline NutWhen fitting the spline nut to the mounting base, please push it in with proper tooling. Do not touch the side plate and sealing gasket—tool di front end faceoff angle 2*30°. 
Assemble the axle with a spline nutWhen fit spline shaft with spline nut, pay attention to watch that matchmarks to avoid mistake.No permission fitting with reckless force. Lubrication oil is recommended for external diameter of main axle. Shown in Fig.13.




Address
Luotuo Industrial Area, Zhenhai District, Ningbo City, China
Tel
