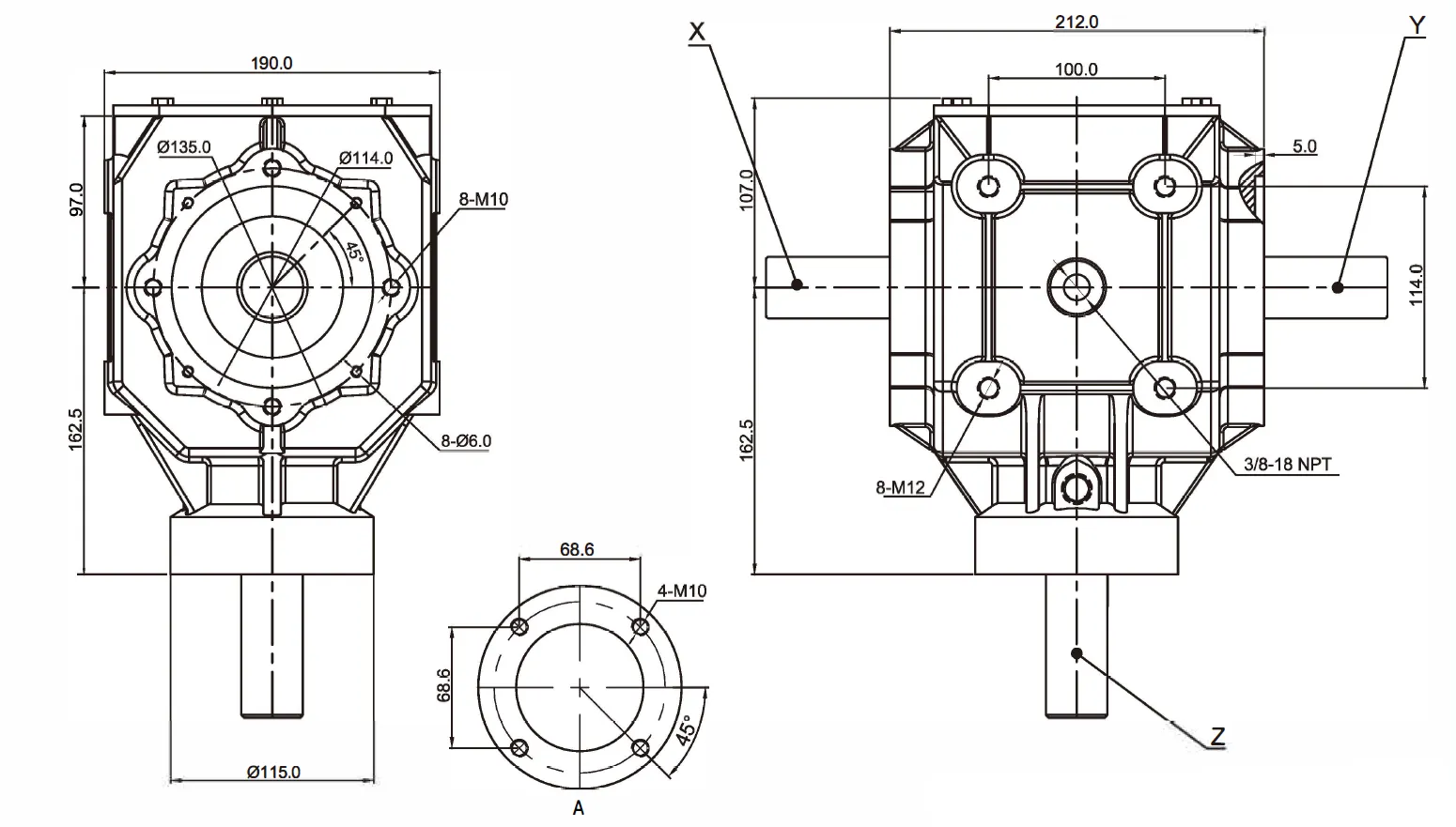
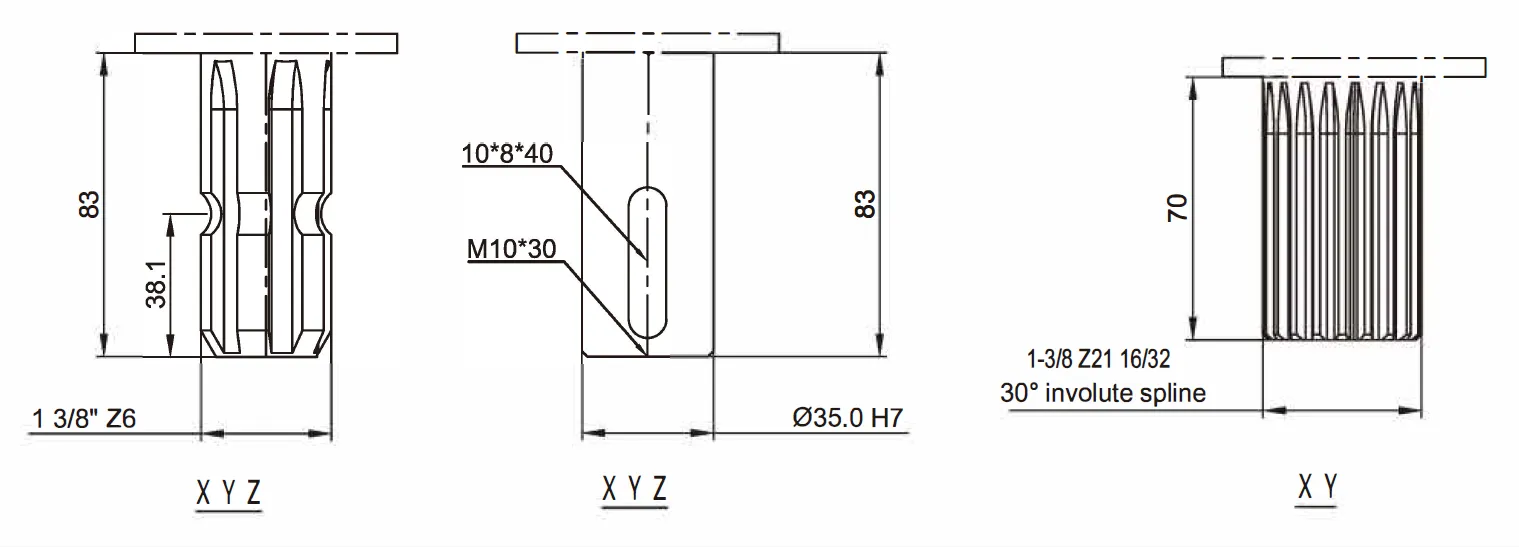
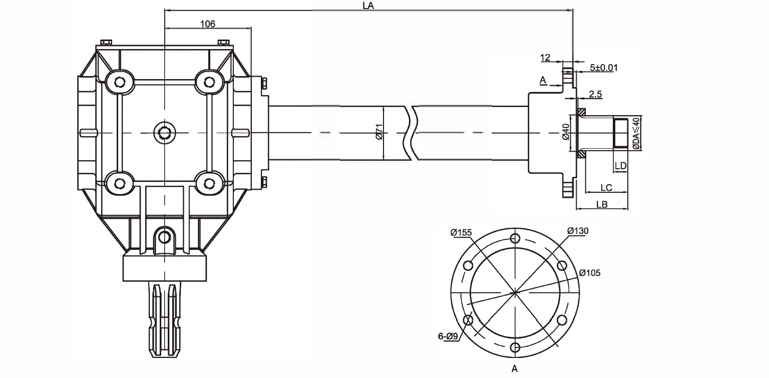
Grader Driven Rake Gearbox EP190 for Variable Speed Rotary Tillers and Beaters
The Grader Driven Rake Gearbox EP190 is a versatile and essential component designed for use in variable speed rotary tillers and beaters. This gearbox plays a crucial role in the operation of agricultural machinery, particularly in soil cultivation and preparation. The Grader Driven Rake Gearbox EP190 is an essential component for variable speed rotary tillers and beaters used in agriculture. Its durability, variable speed control, and compatibility with various equipment make it a valuable asset for farmers looking to optimize their soil cultivation and crop management processes.


| i | Suitable | Rpm input | Rpm output | KW(Nom) | KW(Max) | Toothing | |
| r/min | r/min | hp | hp | ||||
| Decelerate | 1.93:1 | Rotary Tillers, Beaters, etc | 540 | 280 | 24 | 45 | Gleason HelicalTeeth |
| Decelerate | 1.46: 1 | 540 | 370 | 44 | 62 | ||
| Remark: If you have any special require feel free let me know, we also accept custom. | |||||||





![]() | ![]() |
![]() | ![]() |
Address
Luotuo Industrial Area, Zhenhai District, Ningbo City, China
Tel
