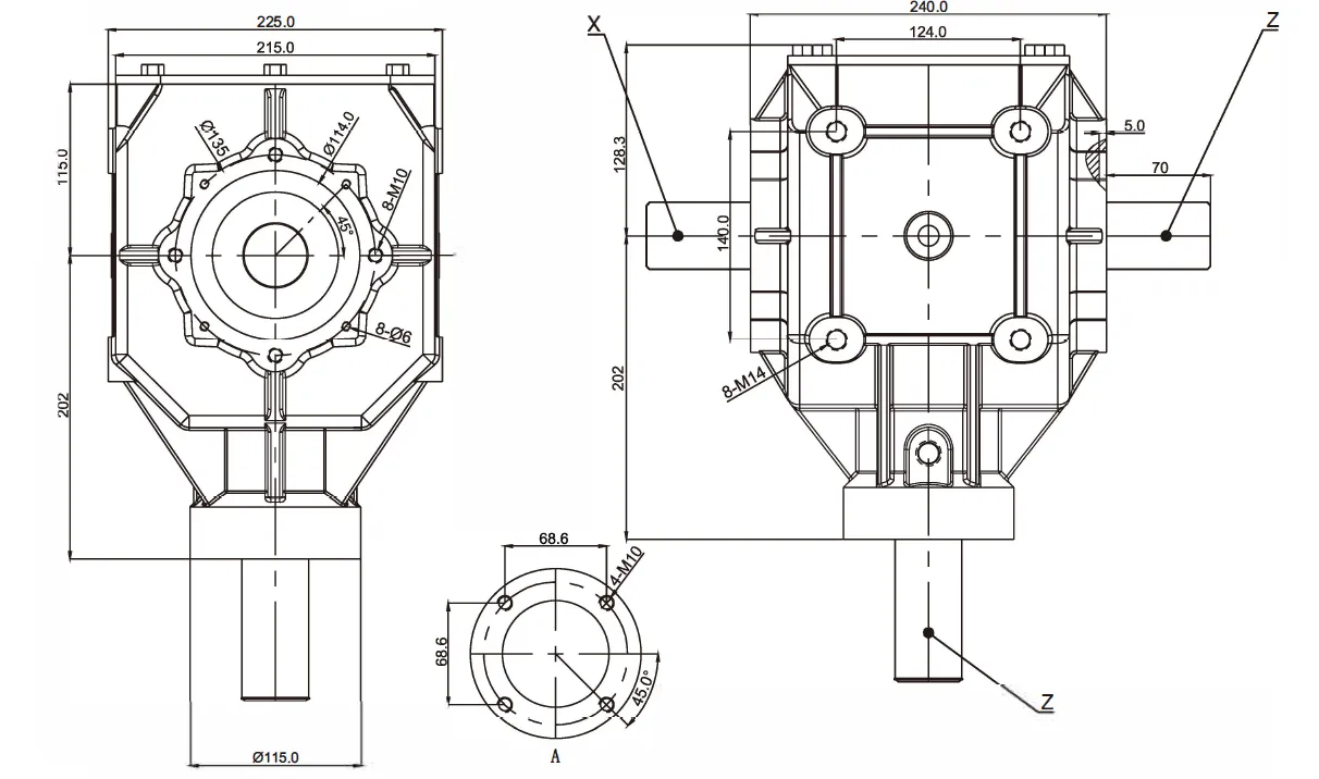
Grader Driven Rake Gearbox EP225 for Variable Speed Rotary Tillers and Beaters
The Grader Driven Rake Gearbox EP225 for Variable Speed Rotary Tillers is a specialized gearbox designed to be used in conjunction with variable speed rotary tillers in agricultural applications. This Grader Driven Rake Gearbox EP225 plays a crucial role in controlling the rotational speed and power distribution to the rotary tiller blades or tines, allowing farmers to adjust and optimize their tillage operations based on specific soil conditions, crop types, and farming practices.


| i | Suitable | Rpm input | Rpm output | KW(Nom) | KW(Max) | Toothing | |
| r/min | r/min | hp | hp | ||||
| Decelerate | 1.93:1 | Rotary Tillers, Beaters, etc | 540 | 280 | 57 | 75 | Gleason HelicalTeeth |
| Decelerate | 1.46: 1 | 540 | 370 | 80 | 110 | ||
| Remark: If you have any special require feel free let me know, we also accept custom. | |||||||



![]() | ![]() |


![]() | ![]() |
![]() | ![]() |
Address
Luotuo Industrial Area, Zhenhai District, Ningbo City, China
Tel
