
| Type | Ratio | Power |
| HRV104 | 31.5 | 0.75KW 1.1KW 1.5KW 2.2KW 3KW 4KW 5.5KW 7.5KW |


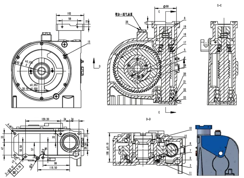
We encourage you to explore the HRV104 Worm Gear Reducer and discover how it can meet your high-temperature industry needs. Contact us today and let's get your machines running at their best!
Address
Luotuo Industrial Area, Zhenhai District, Ningbo City, China
Tel
