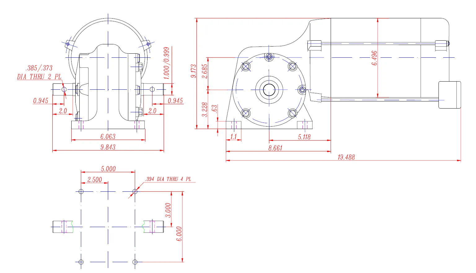
Irrigation Center-Drive Gearbox SYF-2M Series
The SYF-2M Series Irrigation Center-Drive Gearbox is a type of gearbox specifically designed for use in irrigation systems. It is a crucial component that helps drive and control the movement of the irrigation system, ensuring efficient and effective water distribution in agricultural fields or landscape areas.The gearbox is designed to be mounted at the center of the irrigation system, usually connected to a motor or engine that provides the power for operation. It is responsible for converting the rotational motion of the motor or engine into the desired output speed and torque required for the irrigation system.The SYF-2M Series Irrigation Gearbox is known for its durability, reliability, and high efficiency. It is designed to withstand the harsh conditions often encountered in agricultural and irrigation applications, including exposure to dust, moisture, and varying temperatures.




![]() | ![]() |
![]() | ![]() |
Address
Luotuo Industrial Area, Zhenhai District, Ningbo City, China
Tel
