Irrigation Center-Drive Gearbox SYF-3 Series
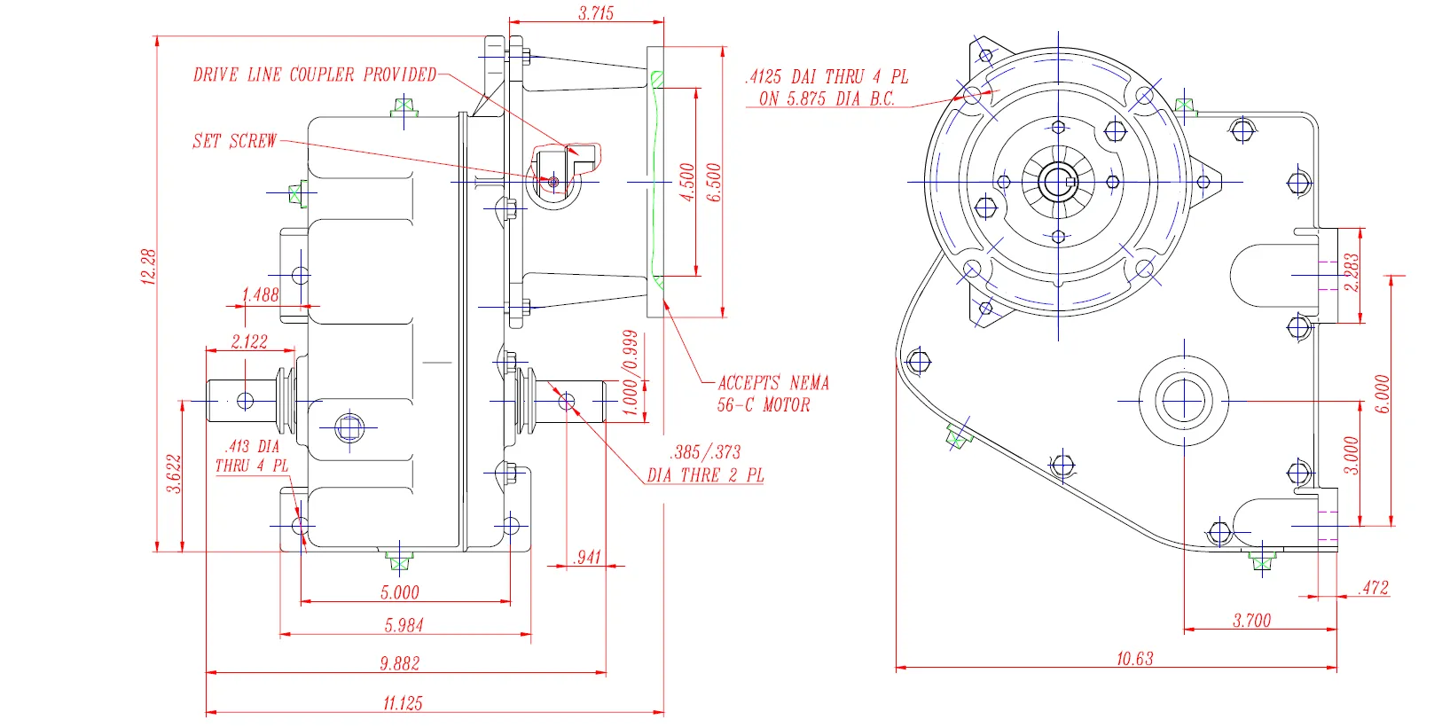
The SYF-3 Series Irrigation Center-Drive Gearbox is an advanced and efficient solution designed for irrigation systems. It is specifically engineered to provide power transmission and control for center pivot irrigation systems. This gearbox plays a crucial role in ensuring the smooth and reliable operation of irrigation equipment, allowing for precise water distribution over large agricultural fields.The SYF-3 Series Irrigation Gearbox is known for its durability, high performance, and versatility. It is built to withstand the demanding conditions of agricultural environments, including exposure to dust, moisture, and extreme temperatures. This gearbox is designed to minimize maintenance requirements, reducing downtime and maximizing productivity.One of the key features of the SYF-3 Series Irrigation Center-Drive Gearbox is its center-drive configuration. This means that the gearbox is positioned at the center of the irrigation system, enabling it to distribute power evenly to the entire length of the pivot. This ensures uniform movement and consistent speed across the entire irrigation span, resulting in efficient water application and improved crop yield.The gearbox is equipped with a powerful motor that drives the center pivot irrigation system. It efficiently converts the rotational motion of the motor into the linear movement required for the irrigation system to traverse the field. The SYF-3 Series gearbox is engineered to provide high torque and smooth operation, ensuring precise control over the irrigation process.


![]() | ![]() |
![]() | ![]() |


![]() | ![]() |
![]() | ![]() |
Address
Luotuo Industrial Area, Zhenhai District, Ningbo City, China
Tel
