Flexible Jaw Type Couplings
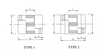
The jaw coupling is a universal power transmission coupling. It is designed to transfer torque by connecting two shafts while damping system vibrations and regulating misalignment, thereby protecting other components from damage. A jaw type coupling consists of three parts: two metal hubs and an elastomeric insert called a jaw coupling element, often referred to as a jaw coupling "spider." These three parts are pressed together, and the jaws of each hub are mounted alternately with the impeller of the star wheel. The torque of the flexible jaw coupling is transmitted through the compressed elastomer lobes.
| ![]() | |
![]() | ||
![]() Jaw Coupling Size Chart | ||
![]() | ![]() | |
![]() | ||

![]() | Jaw coupling, also called jaw and spider coupling, is composed of two metal jaw coupling hubs and an elastomer. The two metal hubs are generally 45 gauge steel, but aluminum or stainless steel are also used when sensitive loads are required. The elastomeric jaw coupling uses the elastic element placed between the two halves of the coupling hubs to realize the coupling of the two halves of the coupling. The elastomer jaw couplings have the features of compensation of relative displacement of two shafts, vibration damping, cushioning, small radial dimension, simple structure, no lubrication, high bearing capacity, easy maintenance, etc. However, when replacing the elastic element, the two coupling halves need to move along the axial direction. |

| As a reliable jaw coupling manufacturer, the jaw-type coupling that we offer is widely used in CNC machine tools, CNC lathes, machining centers, engraving machines, CNC milling machines, computer gongs, metallurgical machinery, mining machinery, petroleum machinery, chemical machinery, lifting machinery, transport machinery, light industry machinery, textile machinery, pumps, fans, etc. | ![]() |
Address
Luotuo Industrial Area, Zhenhai District, Ningbo City, China
Tel
