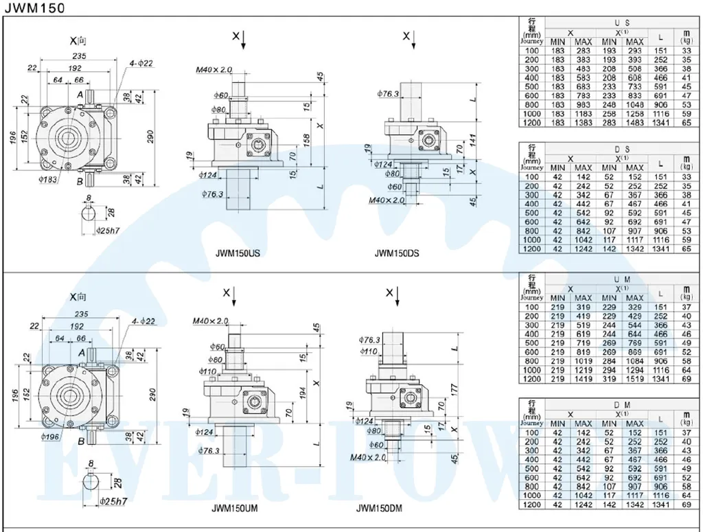
JWM Series Trapezoid Screw Jacks for Lifting Equipment
Trapezoidal screw jacks(also named acme screw jacks or self-locking screw jacks) having high gear ratios and standard design are generally self-locking. They will hold loads without back driving in the absence of vibrations. JWM series trapezoid screw jacks are suitable for low speed and low frequency. A trapezoidal screw jack is an essential jack-up part that accomplishes the functions such as lifting, dropping, pushing, and inverting through worm gear drives screw. Compact configuration, small size, lightweight, convenient installation, flexible operation, high reliability and stability, a long service life, more connection form, etc.The JWM series electrical motors, alternating or direct currents, and hydraulic or pneumatic motors can drive trapezoidal screw jacks. Also, they can be driven manually or with any other type of transmission.![]() | ![]() |










| Screw shaft end | Select from a wide variety of fitting configurations. |
| High precision, large screw shaft | This series uses a trapezoidal screw. |
| Ideal bearing structure | This series uses a tapered roller bearing that is durable against both thrust and radial loads. |
| High-precision worm wheel | This series uses a unique aluminum bronze material machined with high precision and offers ample strength. |
| Large input shaft | This series offers ample strength for the use of multiple connected jacks. |
| Screw shaft guide | A screw guide is provided on the output shaft cover of the worm wheel to minimize the drift of the screw. |
| Grease lubrication | Grease lubrication offers easy maintenance. |
| Lightweight housing | The housing is manufactured from diecast aluminum and is both lightweight and compact. |
| High-efficiency reduction | This design offers the benefits of many years of experience with Worm Speed Reducer. |
JWM screw jacks are trapezoidal screw jacks; the trapezoid screw pairs have high precision and high worm-gear pairs.![]() | ![]() |
![]() | ![]() |

Address
Luotuo Industrial Area, Zhenhai District, Ningbo City, China
Tel
