KHSA Series SAE Flange Ball Valves
The KHSA Series SAE Flange Ball Valves are a type of industrial valves designed for controlling the flow of fluids in hydraulic systems. These valves are specifically designed to be compatible with SAE flange connections, which are widely used in hydraulic applications.The KHSA Series SAE Flange Ball Valves are known for their robust construction and reliable performance in high-pressure and high-temperature environments. They are typically made of durable materials such as stainless steel or carbon steel, which ensures their longevity and resistance to corrosion.One of the key features of these ball valves is the ball-shaped disc inside the valve body, which controls the flow of fluid. When the valve is open, the ball rotates to allow the fluid to pass through the valve. When the valve is closed, the ball rotates to block the flow of fluid, providing a tight shut-off.These SAE flange ball valves are available in various sizes and pressure ratings to accommodate different hydraulic system requirements. They are designed to handle a wide range of fluids, including water, oil, gas, and various chemicals, making them versatile for different applications.The KHSA Series SAE Flange Ball Valves are often used in hydraulic systems found in industries such as oil and gas, petrochemical, power generation, and automotive. They are commonly used for controlling the flow of hydraulic fluids in pipelines, equipment, and machinery.
![]() | Item | Name | Material | |
| Stainless Steel | Carbon Steel | |||
| 1 | Fittings | SS 316 / SS 304 | A105 / 45# | |
| 2 | Flange | SS 316 / SS 304 | A105 / 45# | |
| 3 | O-ring | FKM | NBR | |
| 4 | Packing | POM / PEEK | POM | |
| 5 | Stem | SS 316 / SS 304 | A105 / 45# | |
| 6 | O-ring | FKM | NBR | |
| 7 | stop Pin | SS 316 / SS 304 | A105 / 45# | |
| 8 | Washer | SS 316 / SS 304 | A105 / 45# | |
| 9 | Body | SS 316 / SS 304 | A105 / 45# | |
| 10 | Ball | SS 316 / SS 304 | A105 / 45# | |

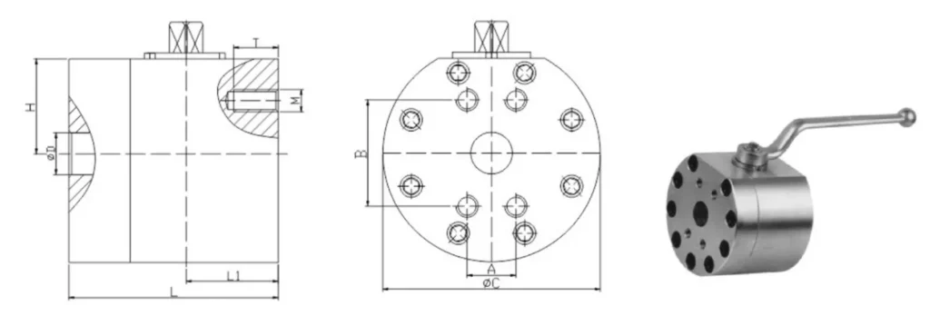
| PartNO. | FlangeSize | DN | Dimension(mm) | |||||||||
| D | L | L1 | H | A | B | C | M | T | ||||
| KHSA -F3-13 | 1/2” | 15 | 15 | 75 | 33 | 31 | 17.5 | 38.1 | 78 | M8 | 16 | |
| KHSA -F3-20 | 3/4” | 20 | 19 | 80 | 35 | 37 | 22.2 | 47.6 | 98 | M10 | 18 | |
| KHSA -F3-25 | 1” | 25 | 24 | 88 | 38 | 39.5 | 26.2 | 52.4 | 117 | M10 | 18 | |
| KHSA -F3-32 | 1.1/4” | 32 | 30 | 100 | 50 | 68 | 30.2 | 58.7 | 145 | M12 | 20 | |
| KHSA -F3-40 | 1.1/2” | 40 | 38 | 110 | 55 | 78 | 35.7 | 69.8 | 165 | M12 | 20 | |
| KHSA -F3-50 | 2” | 50 | 46 | 116 | 58 | 94 | 42.9 | 77.8 | 197 | M12 | 20 | |
| KHSA -F3-65 | 2.1/2” | 65 | 60 | 150 | 75 | 94 | 50.8 | 88.9 | 197 | M12 | 20 | |
| KHSA-F3-80 | 3” | 80 | 70 | 160 | 80 | 98 | 61.9 | 106.4 | 207 | M16 | 24 | |
| KHSA-F3-100 | 4” | 100 | 95 | 170 | 85 | 121 | 77.8 | 130.2 | 257 | M16 | 24 | |
| KHSA-F3-125 | 5” | 125 | 118 | 210 | 105 | 140 | 92.1 | 152.4 | 295 | M16 | 30 | |
| Part NO. | Flange Size | DN | Dimension(mm) | |||||||||
| D | L | L1 | H | A | B | C | M | T | ||||
| KHSA -F6-13 | 1/2” | 15 | 15 | 75 | 33 | 31 | 18.2 | 40.5 | 78 | M8 | 16 | |
| KHSA -F6-20 | 3/4” | 20 | 19 | 80 | 35 | 37 | 23.8 | 50.8 | 98 | M10 | 18 | |
| KHSA -F6-25 | 1” | 25 | 24 | 88 | 38 | 39.5 | 27.8 | 57.2 | 117 | M12 | 20 | |
| KHSA -F6-32 | 1.1/4” | 32 | 30 | 100 | 50 | 68 | 31.8 | 66.7 | 145 | M14 | 22 | |
| KHSA -F6-40 | 1.1/2” | 40 | 38 | 110 | 55 | 78 | 36.5 | 79.4 | 165 | M16 | 24 | |
| KHSA -F6-50 | 2” | 50 | 46 | 116 | 58 | 94 | 44.5 | 96.8 | 197 | M20 | 28 | |


Address
Luotuo Industrial Area, Zhenhai District, Ningbo City, China
Tel
