Manure Spreader Gearbox - Replacement of Comer Code TB-27C
The manure spreader gearbox TB-27C is a type of gearbox designed for use in manure spreaders. It is responsible for driving the spreader’s chain and helps to distribute manure evenly over a field or pasture. The manure spreader gearbox TB-27C is a heavy-duty gearbox designed to withstand the tough and demanding conditions of manure spreading.This manure spreader gearbox is typically made of durable materials like cast iron, steel, or aluminum and has oil seals to prevent oil leaks. It is also designed with a housing that protects the internal parts from dust, dirt, and other contaminants. The manure spreader gearbox has two output shafts, which are located on either side of the housing. Each output shaft has gears that connect to the chains on either side of the spreader, enabling the spreader to distribute manure effectively.The manure spreader gearbox TB-27C requires regular maintenance to ensure optimum performance and service life. It is recommended to inspect the gearbox for oil leaks and check the oil level periodically. Also, it is important to change the gearbox oil at the recommended intervals to keep the internal parts lubricated properly.The manure spreader gearbox TB-27C plays a critical role in the efficient operation of a manure spreader. It is essential to use a gearbox that is specifically designed for manure spreading to ensure that it can withstand the challenging conditions and provide reliable service for years.![]() | ![]() |

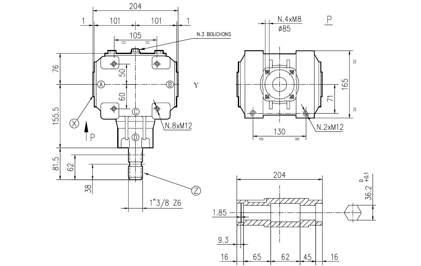
| Description | Manure Spreader Gearbox - Replacement of Comer Gearbox TB-27C |
|---|---|
| Application |
|
| Consists of |
|
| Technical information |
|
| Max. input power | 15.1 kW |
| Max. output torque | 496 nm |
| Contains oil | No |
| Max. oil capacity | 1.1 l |
| Max. oil change interval | 500 h |
| Oil SAE viscosity grade | 80W-90 |
| Housing material | Cast iron GG25 |
| Weight | 22 kg |
| Gear arrangement | 26 |
| Ratio Increasing | 1: 1.92 |
| Ratio Reducing | 1.92: 1 |
| Shaft X | 1 3/8" (6) (C) |
| Shaft Z | 1 3/8" (6) (A) |
![]() | ![]() |
Another important consideration for PTO shafts in manure spreader gearboxes is safety. When not properly installed or maintained, PTO shafts can pose significant risks to the operator and other individuals in the vicinity. As such, it's important to follow all safety procedures and use appropriate safeguards when working with PTO shafts and manure spreader gearboxes.Overall, the PTO shaft and manure spreader gearbox are essential components for anyone who needs to spread manure efficiently across their land. The agricultural PTO shaft and Manure Spreader Gearbox work together to provide reliable and efficient manure spreading in the agricultural industry. By providing the necessary power and torque, these components make it possible to quickly and efficiently spread manure, which can help to improve soil health and promote better plant growth over time.Proper maintenance of the PTO shaft and the Manure Spreader Gearbox is crucial to ensure their longevity and efficient operation. It's important to routinely inspect and clean the equipment, as well as to lubricate the gears and bearings as recommended by the manufacturer.
Address
Luotuo Industrial Area, Zhenhai District, Ningbo City, China
Tel
