Manure Spreaders Gearboxes – Replacement of Comer Code N-2A
A manure spreader gearbox is a component in a manure spreader machine that is responsible for controlling the flow of manure onto the field. The gearbox works by transmitting power from the input shaft to the output shaft, which drives the spreader's apron chain. The gearbox also contains gears and bearings that help regulate the speed of the apron chain, as well as a clutch system that allows the operator to engage and disengage the spreader. A properly functioning gearbox is critical for efficient and effective manure-spreading operations.

| i | 5.67 |
| N1[rpm] | 540 |
| P1[kW] | 23.5 |
| M2[Nm] | - |
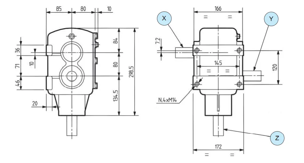
Shaft X![]() | 1'' 3/8 Z6 |
Shaft Y![]() | 1'' 3/8 Z6 |
Shaft Z![]() | 1'' 3/8 Z6 |
| Input | Z |


Address
Luotuo Industrial Area, Zhenhai District, Ningbo City, China
Tel
