Model 4 Flanged Output Drives Planetary Gearbox Replacement of Auburn Gear Model 4 Planetary Gearbox
The Model 4 flanged output drives planetary gearbox is a type of gearbox that is designed to provide high torque and precision in industrial applications. The Model 4 flanged output drives planetary gearbox features a flanged output shaft, which allows it to be easily mounted to other components in a machinery system, such as a motor or a driven component. This planetary gearbox is also designed to handle high radial and axial loads, making it suitable for use in heavy-duty applications.The flanged output drives planetary gearbox is typically made from high-quality materials, such as hardened steel, to ensure durability and reliability over its lifespan. It also features a compact design, which makes it ideal for use in applications where space is limited. The Model 4 flanged output drives planetary gearbox is perfect for vehicles with small-diameter drive wheels requiring flange mounts. Such applications include small lift trucks and mowers. Flanged output drives can also be applied in applications where bolt-on attachment may be more conducive than a splined or keyed interface.
| output torque(N.m) | Ratio (i) | Recommend Hydraulic Motor pilot/hubs and input spline | Max. input speed(rpm) | Brake torque(N.m) | Brake work pressure(bar) | ||
| normal | Max. Intermittent | ||||||
| 2400 | 4520 | 3.67 | Single reduction | SAE A motor pilot/hubs13T - 16/32 Spline15T - 16/32 Spline1” - 6B Spline14T - 12/24 Spline | 3500 | 440 | 22-50 |
| 13.87 | Double reduction | 260 | 14-50 | ||||
| Model 4 Series Shaft Output Drives Planetary Gearbox | ||||||||
| Options | Description | Order Number | Use Option Order Codes to Build Order Number | |||||
| Model Series | MODEL 4 | 4T | 4T | |||||
| Motor Pilot/Hubs | SAE A2 | A2 | ||||||
| SAE A4 | A4 | A4 | ||||||
| Motor Input Spline or Shaft Input Options | 13T - 16/32 | 13 | ||||||
| 15T - 16/32 | 15 | |||||||
| 1” - 6B | 6B | |||||||
| 14T - 12/24 | 14 | 14 | ||||||
| Shaft Input 1.5” Round | 1.5R | |||||||
| Ratio Options | 3.67 | 03 | 03 | |||||
| 13.87 | 13 | |||||||
| Output Options | ||||||||
| 2.56 Round | A2 | A2 | ||||||
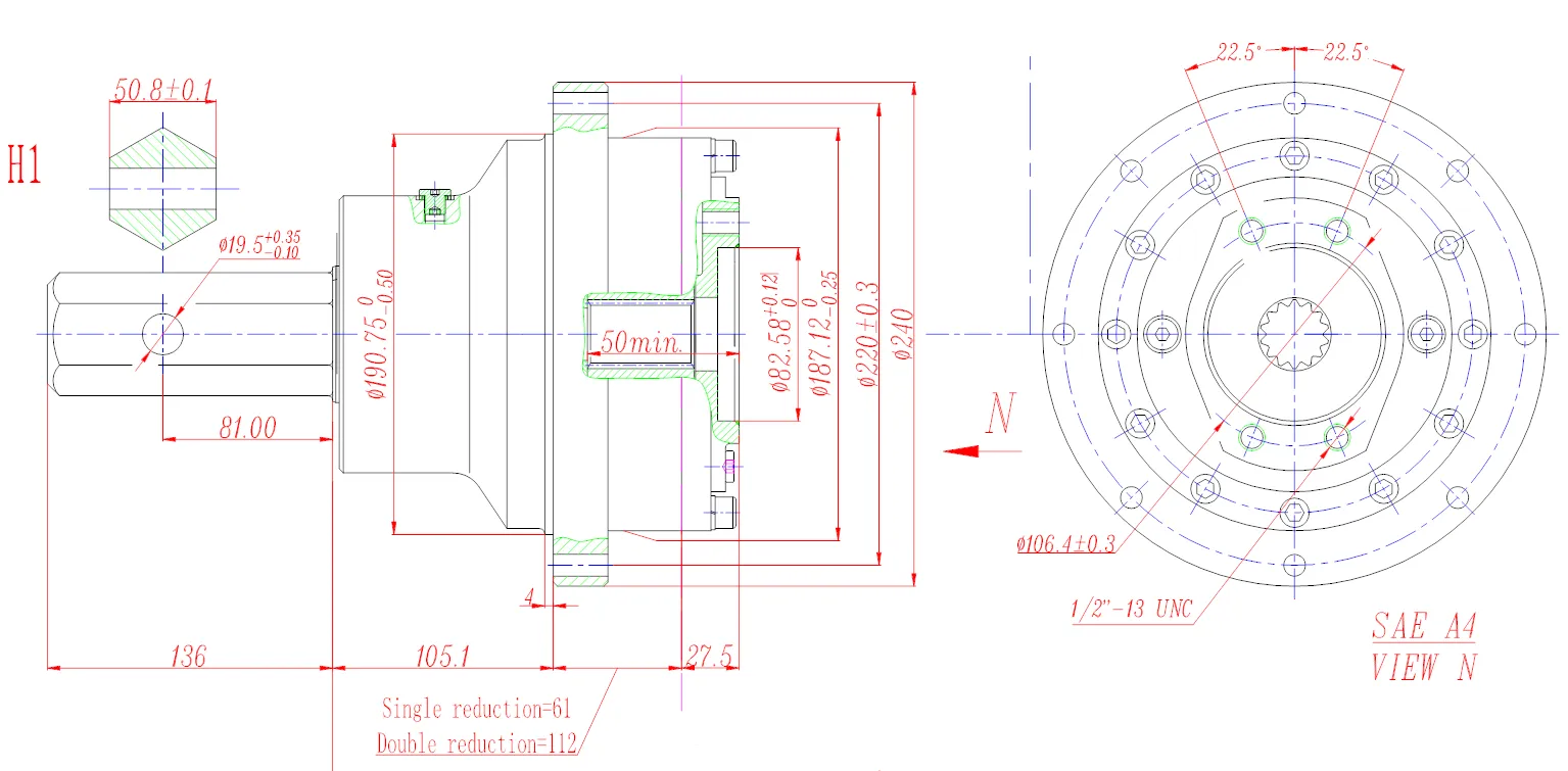
| 2.00” Hex | H1 | |||||||
| Brake | 260Nm | B4F | ||||||
| 440Nm | B4L | |||||||
| Without Brake | WO | WO | ||||||
| Example of complete order code: | 4T | A4 | 14 | 03 | A2 | WO | ||



Address
Luotuo Industrial Area, Zhenhai District, Ningbo City, China
Tel
