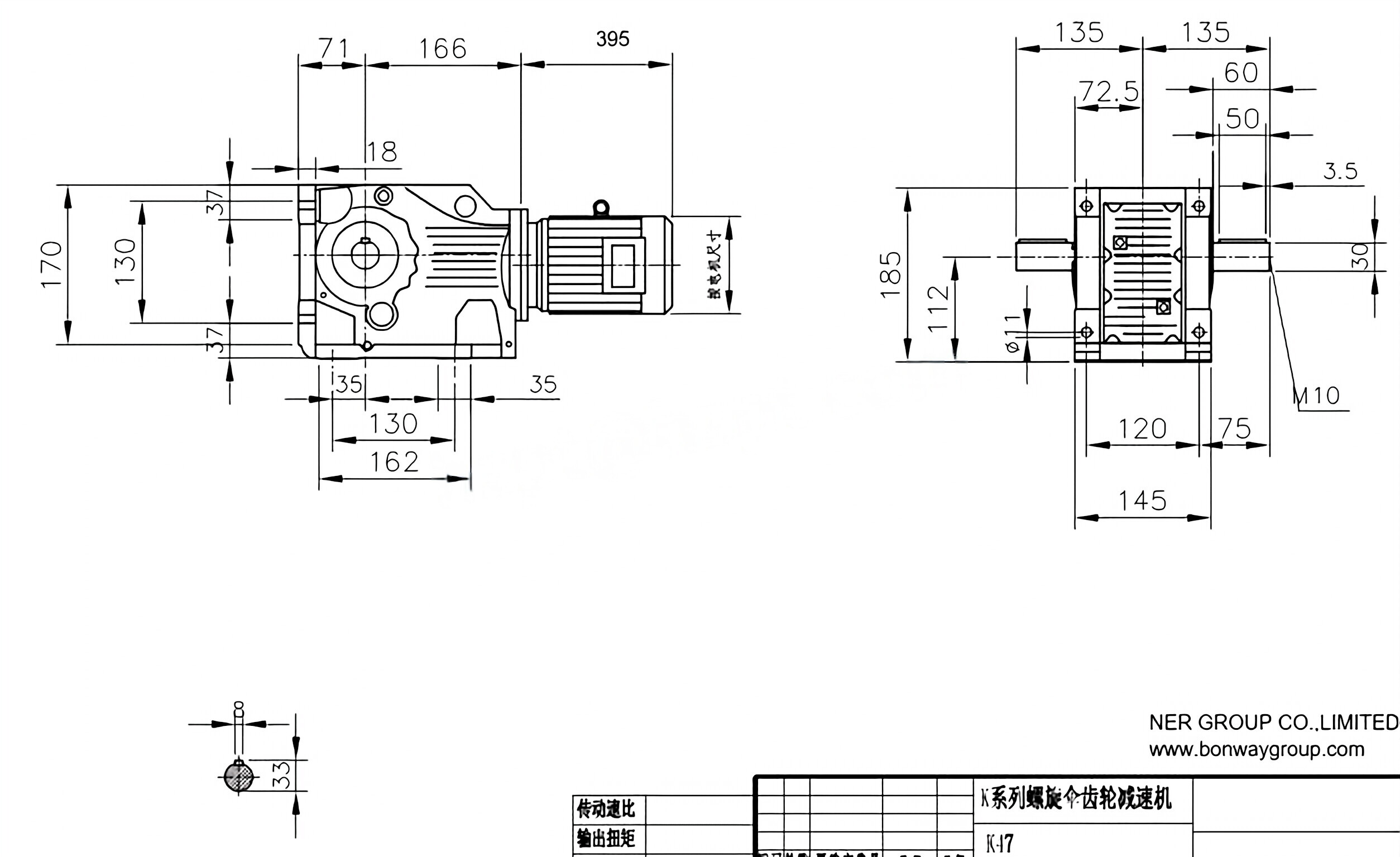
The main drive gear of the spiral bevel gear motor adopts Gleason hypoid gear, with a hard tooth surface, large bearing capacity, low noise, long service life, and high efficiency. The input shaft is orthogonal to the output shaft, including a casing, an input shaft, and an output shaft, and the intermediate transmission shaft is provided with the main transmission is driven bevel gear and a secondary transmission active bevel gear. In the intermediate transmission shaft, a passive transmission spiral bevel gear meshes with the primary transmission passive spiral bevel gear on the input shaft, and the secondary transmission active spiral bevel gear meshes with the secondary transmission passive spiral bevel gear. The structure is simple and compact, and the transmission efficiency is high. The transmission torque is large, the noise is low, the comprehensive performance is good, and the operation is relatively stable. It is driven by a horizontal motor and is driven to the gear part through a set of V-belts. The variable speed output can be directly connected with the vertical motor and the spiral cone of the motor reducer. slow down the output. Its structure has great advantages and is the first choice for driving agitator machinery.
Click and check out more products you're looking for.Address
Luotuo Industrial Area, Zhenhai District, Ningbo City, China
Tel
