N-A QD Weld-On Hubs
N-A QD weld-on hubs are a type of hub that is designed to be welded to a component. They are typically used in conjunction with N QD bushings, which are a type of bushing that is designed to fit into a QD weld-on hub.N-A QD weld-on hubs are made of steel and are precision machined to ensure a tight fit with the N QD bushing. They have a four-bolt mounting pattern and a pilot diameter that is the same as the bore diameter of the N QD bushing. This ensures that the hub and bushing are aligned properly when they are welded together.N-A QD weld-on hubs are a versatile and durable solution for a variety of applications. They are commonly used in conveyor systems, sprockets, and other machinery components. They are also a popular choice for custom machinery applications.
![]() | ![]() |
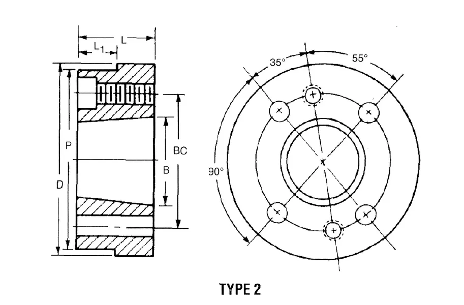
| QD Hub Types | N-A Weld-On Hubs | |
| For Bushing | N QD Bushings | |
| Dimensions (Inches) | D | 10.500" |
| L | 6 1/4" | |
| B | 6.99" | |
| P | 10.250" | |
| L1 | 4 1/2" | |
| BC | 8 1/2" | |
| Type Drilling | 2" | |
| Weight (lbs) | 75 lbs | |

![]() | ![]() |
Address
Luotuo Industrial Area, Zhenhai District, Ningbo City, China
Tel
