
| Chain | No.11 | |
| Pitch | (P) | 3.7465 mm |
| Internal Width | (W) | 1.83 mm |
| Outside Dia. | (Dr) | 2.285 mm |
| Teeth Width | (T) | 1.6 mm |
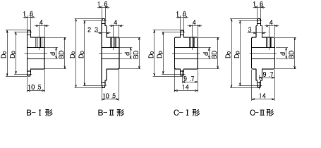
| Sprocket No. | Outside Dia.Do | Pitch Dia.Dp | Form | Bore Dia. | Hub | SetScrews | Weight(g) | ||||
| Type | Z | Min. | Max | BD | BL | ||||||
| NK11SSB | 12 | 16.2 | 14.48 | B-I | 4 | 6 | 9.4 | 10.5 | M3X0.5 | 5.9 | |
| 15 | 19.9 | 18.02 | 9 | 13 | 11.5 | ||||||
| 16 | 21.1 | 19.2 | 14 | 13.5 | |||||||
| 18 | 23.5 | 21.58 | 11 | 16 | 17.7 | ||||||
| 20 | 25.9 | 23.95 | 6 | 13 | 19 | M4X0.7 | 23.3 | ||||
| 24 | 30.7 | 28.7 | 25.7 | ||||||||
| 28 | 35.5 | 33.46 | 28.7 | ||||||||
| 30 | 37.9 | 35.84 | B-II | 6 | 13 | 19 | 29.7 | ||||
| 34 | 42.7 | 40.6 | 37.9 | ||||||||
| 36 | 45.1 | 42.99 | 40.7 | ||||||||
| 40 | 49.8 | 47.75 | 46.5 | ||||||||
| 48 | 59.4 | 57.28 | 60.5 | ||||||||
| 12 | 16.2 | 14.48 | C-I | 4 | 6 | 9.4 | 14 | M3X0.5 | 7.4 | ||
| 15 | 19.9 | 18.02 | 9 | 13 | 14.7 | ||||||
| 16 | 21.1 | 19.2 | 14 | 17.3 | |||||||
| 18 | 23.5 | 21.58 | 11 | 16 | 22.8 | ||||||
| 20 | 25.9 | 23.95 | 6 | 13 | 19 | M4X0.7 | 30.3 | ||||
| 24 | 30.7 | 28.7 | 32.7 | ||||||||
| 28 | 35.5 | 33.46 | 35.7 | ||||||||
| 30 | 37.9 | 35.84 | C-II | 39.3 | |||||||
| 34 | 42.7 | 40.6 | 48.9 | ||||||||
| 36 | 45.1 | 42.99 | 52.4 | ||||||||
| 40 | 49.8 | 47.75 | 59.9 | ||||||||
| 48 | 59.4 | 57.28 | 77.8 | ||||||||

Address
Luotuo Industrial Area, Zhenhai District, Ningbo City, China
Tel
